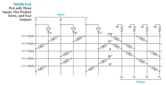
In a PLA, the switching elements in the wired-OR array are oriented as shown on the right of the figure (from Fundamentals of Logic Design, Roth/Kinney, 6th Ed, p.264). A logic 1 current appears to flow in the direction of the arrows, from word line to bit line.
However, the switching elements in the wired-AND array (left of figure) are oppositely oriented, so that a logic 1 current from an input line to a word line seems to need to flow against the direction of the switching element.
No explanation is given for this in the text and I've been unable to find any discussion online. Can anyone explain the reason for, and working of, the oppositely-oriented switching elements in the wired-AND part of the PLA?

