I posted a more vague version of this question a few days ago here and this question was linked as being similar. Answers in both threads were extremely helpful and were along the lines I was thinking, namely using a transistor or FET to switch the resistor on when power is off. This would drain the smoothing capacitor quickly and allow maximum power while running, both of which I need.
It was mentioned that if I provided a schematic, then my question can be better addressed.
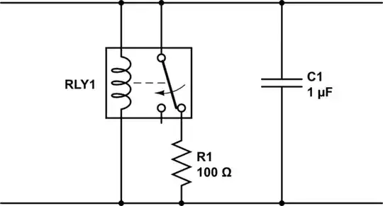
.
It is a simple capacitive power supply for 120 V AC. I've racked my brain trying to find a way to connect the transistor or FET in this particular circuit. Is it even possible?
I'm hoping for a simple solution; something relatively small (< 1 cm^3) and cheap (< $1).

