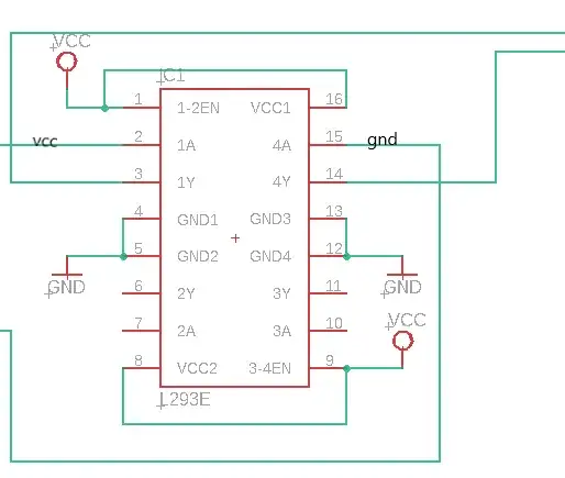
I'm using L293E to drive one motor in two direction.
Output 1 and output 4 are connected to the motor and I alternate Input 1 (1A) and Input 4 (4A) between VCC and GND. (never input1 == input4).
Vs and Vss of the L293E are both connected to VCC = 12V.
The problem is when I connect Input 1 to VCC = 12 and Input 4 to GND. I measure 10.8V between output1 (1Y) and output4 (4Y), yet when I connect the motor it doesn't turn.
The motor is a small motor. For instance, when I connect it directly to the power supply (12V), it only sucks about 400mA.
