0

I was having a look at the LM148-family design

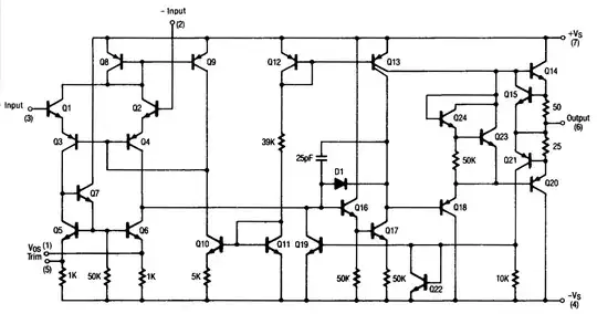
enter image description here

At the input stage, why would you polarize a differential pair with a diode-connected BJT? If I'm not mistaken, the output resistance is also going to be small. Perhaps to have a rather fixed collector potential?

edmz
  • 515
  • 3
  • 10
  • Are you asking about the top left PNP-diode? It doesn't "polarize" the differential pair, it just lowers the voltage in the collectors of the input NPNs. I cannot think of a simple reason why that would be needed so it must be a "more complex" reason like protection against reverse currents. – Bimpelrekkie Jun 07 '19 at 07:16
  • Possibly to protect the diffpair if input voltages are forced above rail. – analogsystemsrf Jun 07 '19 at 09:01
  • @Bimpelrekkie: Yes, exactly that one. For completeness' sake I've highlighted it. – edmz Jun 07 '19 at 18:34
  • @analogsystemsrf: Wouldn't that be accomplished by the PNP-s on top of the NPN differential pair? – edmz Jun 07 '19 at 18:35

1 Answers1

1

After looking into this a bit more, I think I have a better answer than my comment above.

Since the LM148 is (as the datasheet says) "a true quad 741", I had a look at the actual schematic of the famous 741 opamp. Which you shouldn't be using, read here why. Of course for educational purposes, studying the 741 (or LM148) is fine.

This site has an excellent and detailed analysis of the 741. Here's the internal schematic:

enter image description here

Now we can see that the PNP-diode on top of the NPN input pair is actually part of a current mirror.

So the schematic of the LM148 from your question appears to be a simplification of the real schematic.

That PNP-diode copies the (DC) current flowing in the input stage, the copied current comes out of Q9. PNP Q12, the 39 k resistor and NPN Q11 form a crude DC biasing reference. NPNs Q10 and Q11 form another mirror which copies this bias current, then at the collectors of Q9 and Q10 this DC biasing current is compared against the biasing current of the input stage. That makes the voltage at the Bases of Q3 and Q4 go up/down and that then regulates the DC biasing current of the input stage.

So that Q8, that PNP diode, is part of the circuit that sets the DC biasing current of the input stage.

From its schematic, the LM148 does appear to use a somewhat different biasing scheme for its input stage. Often, details are left out in these "internal circuits" on datasheets so we cannot be sure what exactly goes on in the LM148. It might be that they kept PNP Q8 in place to not change the behavior of the input stage compared to the 741.

Bimpelrekkie
  • 80,812
  • 2
  • 94
  • 185
  • Great answer. Let me say that the biasing scheme in the 741 makes perfect sense to me: generate a ref. current through Q11-Q12-R4 and then use a Wildar current source, mirrored by Q8-Q9, to provide stable biasing. However I still can't say the same for the LM148 because I still feel something's missing (a correspondence let's say), surely due to my inexpertise, but probably as you say something is actually left out. – edmz Jun 08 '19 at 10:33