2

Design Problem:

Since I moved into my dormitory for university, I wanted to have a simple audio setup which had a good frequency response. Therefore I bought the Edifier R1280DB, a bookshelf speaker. However, since I'm a basshead I really missed the lower frequency's. Therefore I wanted to attach a subwoofer. The frequency response of the r1280t (same model, but without the bluetooth) is seen in the image below. Frequency Response R1280T If you take a look at the green and the red line (which I assume the transfer for the woofer and the tweeter), you can see that the bass frequency rolls off pretty quickly after 100 Hz. Therefore my subwoofer needs to fix that. Also, the speaker doesn't have a dedicated subwoofer port so I need tap the left speaker and convert it to a low level signal. Also, I thought that a 100w subwoofer seemed a good fit for my setup and thus is the goal.

Design solution:

My roommate had a broken Logitech Z623 laying arround, which I got from him. I stripped the whole thing and rebuilt it into the subwoofer system. I came up with the following solution: Subwoofer design As you can see I can switch between a 3.5mm jack (if used in other setups) and the high level output of my Edifier speakers. I used a xh-M571 amplifier from aliexpress. Since the thermal paste was pretty crappy, I decided to remove it and replace it.

It is powered by a 150 W ali PSU, which said it was recommended for a 80% load. So that means 120 W and is thus in spec. Also, all ground connections are connected to this PSU. I also checked out how the board worked (since I was sceptical of the 150w rating), of which my findings can be seen on the right side of the image.

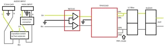
What I found out was that there was a amplifier circuit (NE5532) which can configure if the speaker can function as a speaker or a subwoofer. I used the subwoofer mode since it gave the best low response to my ears. Then it goes into the TPA3116D2, which is configured in a PTBL mode which can deliver 100 W to a 4 Ohm load and 60 W to an 8 Ohm load. Then as specified in the datasheet, a filter is needed. Then the output goes to a Buck-Boost converter (XL6019) which can boost the 24 V from the TPA to a max of 48 V at 1.5 A. So that means 48*1.5*2 = 144 W, which is as specified and is more than sufficient for my build.

However, as you can see some things are missing since I didn't have the time to implement this (and I couldn't wait using it). Namely a crossover and a cut off with a variable resistor. But I plan doing this in the future.

The problem:

For some reason the amp cuts out at high volumes (sometimes also at normal volume (speaking volume) with music which has a very irregular bassline or a drop) and I'm really not sure why. I tried hooking up a capacitor bank of 4.4 mF (50 V) to the PSU to ensure that if current surges occur the cap can deliver the current. However, this seemed to have no effect. I read somewhere that the Z623 subwoofer has a resonance peak at 50 Hz, so I tried to eliminate via an EQ. However, the amp still cuts out at specified conditions.

So my question is; What can cause this issue? Do I really need to implement a crossover to eliminate this issue or am I overlooking something?

Also, side question. I noticed that there is a ground loop somewhere. I can remove this noise with a 3.5mm jack to my pc (while the audio is coming out of my high input). How can I fix it without the 3.5mm plugged in the whole time?

Sources:

If necesarry I can post the links to the ali-express components.

EDIT: I noticed that I forgot to mention that since I only have a left signal available that the high input has the cables bridged from the left to the right input (just a wire, so not permanent). Since most music has the lower frequencies (especially below 100 Hz) centered, this seems to not be a big issue for my setup.

EDIT2: As requested from Sunnyskyguy, here is the impedance measurement of the speaker: enter image description here

  • 2
    On a non-technical note, your neighbors at the dormitory are not going to appreciate that you are a "basshead". You should be looking for a good set of headphones instead of a subwoofer. You may also find that most people here are not eager to help with components from aliexpress that do not perform as expected. – Elliot Alderson Jun 10 '19 at 15:56
  • 1
    Possible thermal shutdown may need forced air cooling. Then eviction notice, if it works. (;-) – Tony Stewart EE75 Jun 10 '19 at 16:11
  • @ElliotAlderson I know that people arround here don't really like ali components, but even with x amplifier this problem can occur. Therefore I thought people would still be wanting to help. Also, I have pretty good neighbours so if I push too hard they will contact me. – Jeremy van Wieringen Jun 10 '19 at 19:25
  • @SunnyskyguyEE75 Hmm, the cooling seems pretty good. Also I think that if it is a cooling issue the amp should randomly shut down after a long session, which doesn't seem to be the case. Or am I wrong here? – Jeremy van Wieringen Jun 10 '19 at 19:31
  • you are correct. But your question lacks test measurements. Can you understand enough of the woofer AC-DC supply and 200W amp to fix it? – Tony Stewart EE75 Jun 10 '19 at 19:38
  • Why is (XL6019) running on speaker output? – Tony Stewart EE75 Jun 10 '19 at 19:49
  • @SunnyskyguyEE75 Well, I tried the amp once without pad and altough it got a bit toasty (the temperature measurement on my multimeter seemed pretty off since it read 40 degrees C but it seemed more like 50) the amp still cutted out after some tracks. Also, thermal protection seems to kick in at 150 C. – Jeremy van Wieringen Jun 10 '19 at 19:49
  • As of the technical knowledge: The TPA3116d2 creates two wave forms (when in PBTL mode), since it is a class D amp. A positive wave and a negative wave. As specified in the datasheet then a LC filter is used. However, this design has the XL6019 as a current amplifier and then the speakers. This makes the 100 W amp a 144 W amp. – Jeremy van Wieringen Jun 10 '19 at 19:56
  • Jeremy, if you make some measurements, it would isolate the problem, then a solution is easier to guess. You seem to know what U are doing, but we don’t know specs like voltage sag, speaker impedance, voltage during cutout. try Audacity if you don’t have a sig Gen and scope. There is also a windows S/W scope using Audio card – Tony Stewart EE75 Jun 10 '19 at 20:36
  • @SunnyskyguyEE75 Hmm, I didn't knew Windows could do that. Although, I'm not sure if delivering so much power to my pc is wise. So I'm wondering, would it be wise to start off with an impedance measurement (seems also the most simple to do)? And if so, which software can I use to do this measurement? – Jeremy van Wieringen Jun 10 '19 at 22:04
  • You would use a resistor divider down to 1V for the AUX input and I would have to search like you for the S/W but Audacity also has a scope input from Audio source when recording – Tony Stewart EE75 Jun 10 '19 at 22:09
  • @SunnyskyguyEE75 It took a while (due to my studies), but I've done the impedance measurement of the speaker and included it in the question. – Jeremy van Wieringen Jul 03 '19 at 13:24
  • 1
    TY.. The 2 resonances >40 Ohms are no problem for current but perhaps sounds "Boomy" high Q resonance. I wonder if this is when it fails. The hi Z plot peaks does not suggest high current but maybe boost in voltage detected (?) No "anti-resonant" found which series Z @ 2~4 Ohms which draws more current. So cause unknown unless you can measure input power consumption or voltage sag or temperature rise or any other cause for failure. – Tony Stewart EE75 Jul 03 '19 at 17:57
  • "Then the output goes to a Buck-Boost converter (XL6019) which can boost the 24 V from the TPA to a max of 48 V at 1.5 A" - how is that supposed to work??? "This makes the 100 W amp a 144 W amp" - wow, a whole 1.6dB louder! – Bruce Abbott Jul 03 '19 at 18:43
  • You can also use Audacity audio out with Generator for sine sweep at various levels to find when where the threshold trips and also use MIC to equalize sound at both spots using 1/3 octave or conjugate EQ hand drawn EQ to flatten response (from speaker in corner to listener mic) – Tony Stewart EE75 Jul 03 '19 at 18:55
  • @SunnyskyguyEE75 Hmm, I just took a second look at the datasheet of the TDA and found that there are two possibilities for the amp to shut down. Option one: Thermal protection, but this seems highly unlikeable since the heatsink is considerably larger than the one specified. So the second option seems the most logical: DC output protection. It seems the TDA shuts down when the frequency is below 2.38 Hz (420 msec). So I think that, as you said, I really need to take a look at the voltage sag or power consumption. Is there any way to do these measurements with only a multimeter? – Jeremy van Wieringen Jul 04 '19 at 15:23
  • Also, I wish I could do frequency measurements but atm I only have a laptop which has only one 3.5mm plug (adapting it to a mic and a audio plug didn't work for some weird reason). I'm planning to buy a pc in the coming month, but if I have one I will certainly do this measurement. – Jeremy van Wieringen Jul 04 '19 at 15:28
  • @BruceAbbott Tbh, I don't know an awful lot of buck-boost converters so I based my assumptions on the datasheet. So, if you have a better explanation for me I would love to hear more about it. Also, I'm planning to not use the sub to its maximum potential so the 50W extra is just some headroom for a small peak moment – Jeremy van Wieringen Jul 04 '19 at 15:38
  • using DMM you can measure DC offset on Bass LPF which may need bias offset?? HSow your circuit details for this e.g. V+/2 or bridge amp? – Tony Stewart EE75 Jul 04 '19 at 16:37
  • The XL6019 is a DC/DC converter but you appear to be powering it with AC. I suggest you remove it and connect the speaker directly to the TPA3116D filter output. – Bruce Abbott Jul 04 '19 at 20:55

0 Answers0