1

Hi i am a student & was hoping someone could please clarify on the below.

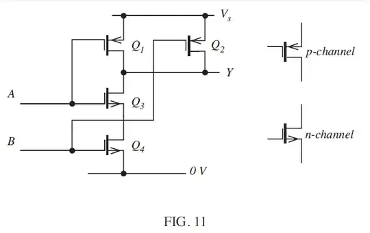
In a section of learning materials for a module I am taking the symbol for the MOSFET is shown and referenced (FIG 11) with respect to a CMOS NAND gate: FIG 11

All other sources I have come across show the P channel MOSFET with the arrow pointing out on the source terminal & for an N channel MOSFET the arrow pointing into the gate on the source terminal(FIG a).

FIG a

If anyone could please advise if there is issue with the symbol for FIG 11 as these variants contradict one another. I have searched through other questions on a similar nature to this, but my understanding is that the symbols used in FIG 11 should have a T connector gate rather than L type connector gate in order to adhere to common practice?

P6501
  • 13
  • 2
  • Note that in the top figure the arrows are on the source but in the bottom figure they are on the body. That's why they point in different directions. – Elliot Alderson Sep 17 '19 at 12:22

1 Answers1

1

Both kinds of symbols are commonly used.

The second set is more detailed, showing the substrate connection explicitly, and the arrowhead indicates the polarity of the channel. Think of it as a diode, where the point of the arrow denotes where the N-type material is. Therefore, the N-channel device has the arrow pointing toward the channel, while the P-channel device has it pointing away.

The first set is a simplified version that does away with the explicit substrate connection. Instead, the arrow shows the direction of conventional current flow, similar to how it is used on BJTs. Therefore, the N-channel device shows current flowing out of the source connection (analogous to the emitter on an NPN) and the P-channel device shows it flowing into the source connection. When you're drawing dozens or hundreds of devices for an IC schematic, this shorthand notation saves time and reduces clutter. You can generally assume that the substrates are connected to the most positive (P-channel) and most negative (N-channel) voltages available on the chip.

Dave Tweed
  • 172,781
  • 17
  • 234
  • 402