1

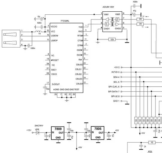
The supply for the device has relatively dirty 5V power. I was looking for the way to suppress the noise produced by the other modular components in the device, and was recommended this circuit as a good example. Here's the related cutout of the circuit diagram:

enter image description here

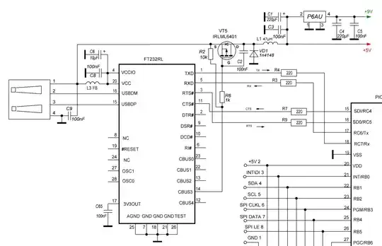
Even more, I have found more "elaborate" circuit regarding the power scheme:

enter image description here

There're precision op-amps and other ICs connected down the power rail with absolute maximum breakdown power voltage of 6V.

I decided to simulate the circuit, and found very interesting things...

Here's the simulation with relatively slow edge - 10 milliseconds from 0 to 5 volts. We can see here that voltage on the output rises together with the input voltage, and there's small oscillation of the filter with up to 120 mA flowing through the inductor:

enter image description here

However if I change the slope to 10 microseconds, I get impressive overvoltage:

enter image description here

With up to 10 V of output voltage (twice the input) and 7 A current flowing through the inductor.

Well, my first question was what the heck precision amplifiers down the road not frying as I was said that hundreds of these devices were assmbled and all function properly. Ok, my first guess is that the stuff is being powered by the USB, and USB used to have current limit on its power lines, and it cuts power to the circuit as long as LC starts consuming more than, say, 500 mA.

Then the next thought I had - then it would be completely different story if this circuit is connected to the ATX power supply which can deliver amps of the power through its 5 V power rail. Everything would literally fry. Well, maybe not a very good example as ATX standard specifies power rise times at power on. Let's take slighty another example: this device is plugged into powered up ATX power supply.

By the way, here's original circuit (from the resposbile author):

enter image description here

It has totally different powering scheme: USB powers FT232 chip only, uses isolators and all device internals are powered from the another lab power supply.

So the question(s):

  1. Does the simulation show correct symptom for frying the device if connected to different power supply (or "unrestricted" USB port if such exists)?
  2. Am I correct supposing that circuit does not fry because USB port has current limitation?
  3. Can L-filter be ever used (so easily) to filter power, and what are the best practices?
Anonymous
  • 7,052
  • 1
  • 14
  • 45
  • Where does the 10nF cap in your simulation come from? And is L1 in your circuit the same as L3 or L14 of the quoted circuits? – Huisman Sep 30 '19 at 13:36
  • I added this cap as a test. Adding or removing it does not make any effect, as resonance is driven by bigger 100 uF cap. No, L1 is inductor with wire windings, while L (FB) is ferrite bead BL01RN1A1D2B - just a single wire through the ferrite coil. – Anonymous Sep 30 '19 at 14:14

2 Answers2

2

Can L-filter be ever used (so easily) to filter power, and what are the best practices?

I pretty much always (when implementing an LC low pass filter to remove noise on power rails) design it as an RC LP filter and put the inductor in parallel with the resistance so that DC currents are supported by the very low impedance of the inductor (as opposed to passing through the series resistor and giving a bad volt-drop).

I choose the inductor value such that it does not produce significant (or chip-deadly) overshoot in the worst case scenario. The resistor in parallel with the inductor reduces Q to the appropriate level to avoid significant overshoot.

Does the simulation show correct symptom for frying the device if connected to different power supply (or "unrestricted" USB port if such exists)?

Yes, I've blown up chips when a surge load current was disconnected and the LC produced ringing that destroyed devices that were intended to be "smoothed" by the LC.

Am I correct supposing that circuit does not fry because USB port has current limitation?

You might be, but it is load current passing through the inductor that quickly terminates that I have found to be the main issue on my designs. A fast rising input supply can also cause this problem.

Design it as an RC circuit and regard the inductor in parallel with the resistor as a component that supports low DC volt drop.

Andy aka
  • 456,226
  • 28
  • 367
  • 807
  • To put the riging into the safe zone, according to the simulation, I need 0.1 Ohm resistor (then Vout does not go beyond 5.1 V), but the peak current flowing through resistor is 50 A... I suspect building this type of circuits may not limit to using just an additional resistor. Maybe ferrite bead like BL01RN1A1D2B will be more appropriate instead of the inductor? – Anonymous Sep 30 '19 at 12:45
  • Hmm two downvotes. Someone has got their knives out it seems. – Andy aka Sep 30 '19 at 15:41
  • Ferrite beads are only any good above about 10 MHz. If you are trying to suppress stuff below 1 MHz an FB will be useless. – Andy aka Sep 30 '19 at 17:22
  • It is not actually a ferrite bead, it is EMI Suppression Filter (a single wire through ferrite tube), see https://www.mouser.com/datasheet/2/281/c30e-522731.pdf page 9 at the bottom. It has (small) resistive component in the 1-10 MHz band, and should be able to suppress small noise in this band. In addition it does not have large inductive component, and there's no overshoot/ringing on power on and off (at least in simulation), and hopefully has not peaking in these frequency range. – Anonymous Sep 30 '19 at 17:50
  • @Anonymous are you done with this question now? – Andy aka Jan 27 '21 at 14:11
1

I suspect the simulation doesn’t take into account real physical inductor behavior. First factor is losses in the wire. Even small series resistance (for example, 0.3 Ohm) gives more realistic picture: ringing decays much quicker, and the overshoot is considerably lower (up to about 7.5 V). So, Rs is one of key parameters.

enter image description here

Another real-life factor is core saturation. According to (ideal) simulation, current amplitude peak reaches 5 amps. I suppose it far higher than the saturation current of the real inductor used. Beyond saturation point inductor stops energy accumulation, further reducing voltage overshoot. Unfortunately, I have no experience in modeling non-linear behavior of inductor in LTspice, so I can’t demonstrate the effect mentioned.

If you would present inductor part number, we’ll be able check datasheet to obtain real parameters (Rs, Isat) that define actual circuit performance.

At the same time, it’s a good idea to carefully measure real circuit performance (voltages and inductor current) to gain understanding.

Finally, my answers:

1-2. The simulation show correct symptom, but it overestimate both voltage overshoot and Q, missing real inductor properties (Rs and core saturation).

  1. Yes, using LC-filter to clean power is conventional practice, but inductor parameters must be selected carefully.
Eugene K
  • 918
  • 5
  • 9