There are many ways one can build a reverse-polarity protection circuit. Using diodes, Shottky diodes, n-MOS in the return path and using a P-channel MOSFET on the positive side of the circuit. My question is about the P-channel MOSFET type of reverse-polarity protection circuit.
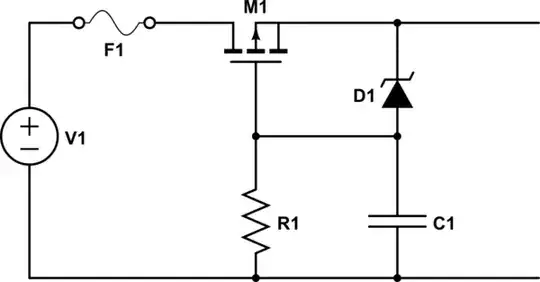
In the below schematic there is a P-channel MOSFET, a Zener diode to protect the MOSFET from having an excessive Vgs voltage, a resistor to limit the current through the zener diode and a capacitor.
Main question: I have got no clue whatsoever what the capacitor is doing here. What is it for and how do I choose its value?
How to choose the value of R? Do I only take the max current that the Zener diode can handle?
I've searched the Electronics exchange forum and indeed I found a lot of pmos reverse-polarity protection posts, but none of them addressed the capacitor question.

simulate this circuit – Schematic created using CircuitLab
