Some Initial Thoughts
If your AC mains isn't completely floating (and my experiences are admittedly limited regarding AC mains supplies around the world), then you should consider isolating it with an isolation transformer. And if you are willing to consider it, then you are free to also select whatever secondary voltage that's convenient to both you and their manufacturers. (Everything in the world is "mutual.")
If you want the LEDs to be galvanically connected to your AC mains supply, then you have different responsibilities in terms of enclosures and considering various possible failure modes for those enclosures that might galvanically expose people to the AC mains.
And in all cases, it's a good idea to consider how your arrangements will behave with any single-point failure. There is enough power involved here that some circumstances may generate enough heating at a single point that a fire might result. So, be as comprehensive as possible in your thinking, as you proceed through the project.
Also, long strings of LEDs require higher voltages. Even isolated, if you expose the LEDs themselves to contact, it's possible for someone to bridge across those voltages. A safer direction might be to keep the high-end voltages at a point where most authorities consider it "relatively safe," such as around \$48\:\text{V}\$ or less. (I very much liked the fact that "Harper - Reinstate Monica," in a comment, brought up this voltage issue -- though suggesting still less than I am here. It's important and it's not difficult to do once you've decided to include an isolating transformer in the project.)
If I were considering this project, I'd avoid anything higher than \$48\:\text{V}\$ as the top rail voltage. That's the peak. The allowable ripple would subtract from that. So I might shoot for \$45\:\text{V}\pm 3\:\text{V}\$ as my rail supply.
There is no LED datasheet provided, so I can only suggest that you consider the idea that the variation of voltages on the LEDs, with a given current through them, should be considered to be about \$\sigma\approx 60\:\text{mV}\$ at whatever design current you settle on. There are z-tables where you can go to find out the likelihood of any one chain of N devices to present a given string-voltage, so I won't bother with that. If you want to gamble on \$1\,\sigma\$, that's your call. I'd prefer a \$3\,\sigma\$ assumption. And lacking a datasheet, this means \$\pm 200\:\text{mV}\$ for worst case computations.
Ballast Resistor
glen_geek mentioned the use of a ballast resistor as your current-limiting device. I've written elsewhere about this: why does an LED always need a resistor and how can Ohms law be used to calculate the resistor value for an LED. Let's take a look at a single LED (this is a \$3\:\text{V}\$ typical when operating at \$20\:\text{mA}\$ example case):

Here, I'm showing three exponential curves that illustrate the variation I've chosen for LEDs that may be drawn out of a bag. I'm also showing two values for \$V_\text{CC}\$, \$4\:\text{V}\$ and \$9\:\text{V}\$, with the load lines for resistors that were chosen in order to hit \$20\:\text{mA}\$ on the middle curve (the "typical" LED case.) You can easily see that a higher \$V_\text{CC}\$ selects a different resistor slope and exhibits a much smaller variation in LED current vs variations in those LEDs.
The above is just one LED in a string. If you place \$N\$ of them in series there will be a distribution around the typical values and while random chance will likely prevent the very worst cases from happening, you can probably expect the string voltage's standard deviation to be \$\sigma_{_\text{STRING}}=\sqrt{N}\cdot\sigma_{_\text{LED}}\$.
Let's say that at \$I_\text{LED}=50\:\text{mA}\$ you typically expect \$V_\text{LED}=3\:\text{V}\$. But suppose \$\sigma_{_\text{LED}}=60\:\text{mV}\$, as I proposed earlier. And suppose I wanted to use \$V_\text{CC}=45\:\text{V}\pm 3\:\text{V}\$, also as I proposed earlier. Then I could use, at most, 13 LEDs in a series. I'd expect random selections into series strings to yield \$\sigma_{_\text{STRING}}=\sqrt{13}\cdot 60\:\text{mV}\approx 216\:\text{mV}\$. So \$3\,\sigma\approx 650\:\text{mV}\$.
If I design a ballast resistor on the basis of the assumed \$V_\text{CC}=45\:\text{V}\$ (I have to pick some value) then I'd come up with the green line below:

The purple lines use the same slope (because the resistor doesn't dynamically change itself) and show what happens under the ripple I considered before. I think you can see that this suggests I would need to seriously re-consider and perhaps choose a much more regulated voltage supply. The ripple I was earlier considering wrecks havoc on regulation, given the small voltage overheads I'm working with.
You could fix this by using fewer LEDs in each string and therefore reserving more voltage overhead for the resistors. But then this is more LED strings and you are wasting more power in those resistors, too.
All in all, I think this is a pretty strong argument against the idea that glen_geek suggested -- just using a ballast resistor. And it is a strong argument for using a low-overhead active current regulation circuit.
Current Regulation Thoughts
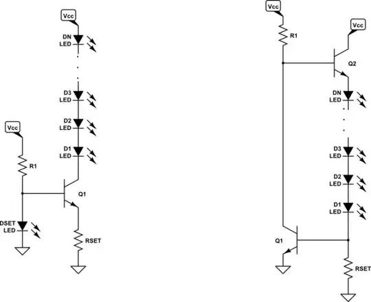
Let's get straight to it. Don't bother with an opamp. Just use BJTs. Here's by suggestions:

simulate this circuit – Schematic created using CircuitLab
In the left side circuit, I am using an LED (doesn't need a lot of current in it, though -- perhaps a few milliamps?) called DSET in the schematic in order to set the voltage at the base of the transistor. (A GaAsP LED type used with a BJT can be remarkably temperature-stable.) Using \$V_{\text{LED}_\text{REF}}\$ to represent the voltage across DSET, the calculations are \$R_\text{SET}=\frac{V_{\text{LED}_\text{REF}}-V_\text{BE}}{I_\text{LED}}\$ and, if you are considering \$50\:\text{mA}\$ per string, then \$R_1=\frac{V_\text{CC}-V_{\text{LED}_\text{REF}}}{2\:\text{mA}}\$ (the \$2\:\text{mA}\$ should be enough to keep DSET operating well and also provide enough base current to operate \$Q_1\$.)
The right side circuit is does experience variation with temperature (on \$V_\text{BE}\$ of \$Q_1\$.) But overall this is on the order of maybe \$-0.3\:\frac{\%}{^\circ\text{C}}\$ for changes in the current. Probably acceptable. The calculations are \$R_\text{SET}=\frac{V_\text{BE}}{I_\text{LED}}\$ and \$R_1\approx\beta_2\cdot \frac{V_{\text{CC}_\text{MIN}}-2\cdot V_\text{BE}-N\cdot V_\text{LED}}{I_\text{LED}}\$.
Summary
Get and use an isolation transformer. Select a secondary voltage and work out the number of LEDs you can support per string. Use a bridge rectifier and filter capacitors to keep the ripple down to some minimum. You may also want to consider some method of current in-rush limiting, at power-on.
There are some ideas I could add to the above, if it is your desire that only a single resistor determines the current in all of the strings. It's probably not necessary to do that, though. (Which is why I didn't draw it out.)
Yes, the above arrangement of 13 LEDs per series string means 8 strings of LEDs and nominally \$400\:\text{mA}\$, when summed, that the transformer must support. But I think it's safer. (You could follow "Harper - Reinstate Monica"'s suggestion and still further increase the number of strings.) But this means less worry.
By the way, I still haven't addressed any of the above to single-point failures. How do resistors tend to fail? How do LEDs tend to fail? How does a BJT tend to fail? How would a failure of any one of these parts affect the circuit? What might you do to mitigate these issues? I'm leaving that for your thoughts.