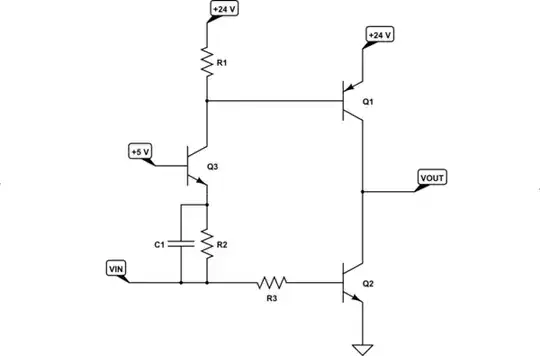
The basic idea is something like this:

simulate this circuit – Schematic created using CircuitLab
There are problems with this, though. For example, \$Q_3\$ might oscillate. Some added base resistance is a common fix. But there are other approaches. In this case, I don't think there's much likelihood, though. Just mentioning it, in case it matters. Also, you can always consider adding some emitter resistance for the output BJTs, if you want. But you'd need to know something about what you are driving to figure out those values. So that's also missing. There's also no base protection for either output BJT. You might also consider adding diodes to protect them against short-term reverse-voltage transients. I've also not added local power supply capacitors. Again, you may also want those. Or not. I've also avoided the speed-ups.
A fuller circuit with all the crap added might look like this:

simulate this circuit
In the above, I've left off the base protection diodes. But they are pretty obvious, if you want them.
With appropriate component values and those fancy BJTs I mentioned above (the BFT93 and BFR93 or BFR91A), the following Spice simulation results (it assumes some source resistance, as well, for what's driving it, and drives a load represented by two \$20\:\text{k}\Omega\$ resistors in series between the \$+24\:\text{V}\$ and ground. (So a \$10\:\text{k}\Omega\$ load, in short.)

As you can easily see, it's pretty cut and dried. Nice and sharp edges and very little change in the duty cycle or its delay relative to the input. And I spent exactly zero time trying to calculate resistors or capacitor values when popping that into Spice.