I am trying to amplify the signal from a load cell using an AD623 instrumentation amplifier.

(source: instructables.com)
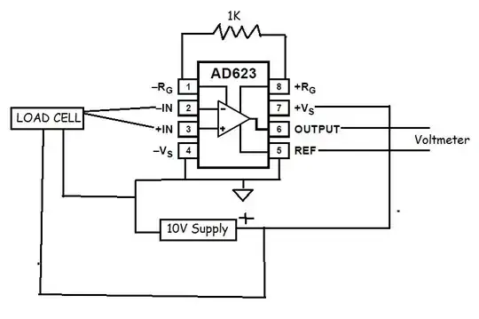
Please refer to https://www.instructables.com/answers/Amplifying-load-cell-signal-with-AD623-problem/ for the schematic. The common mode voltage is 4.5 Volts.
1K resistor is supposed to give 100x amplification. It is instead giving me around 50. My differential voltage is 0.8mV while my output is 42mV (52.5 gain). Note that I have placed the capacitors (0.1 uF and 10 uF from Vs to ground) but are not shown in figure. What might be going on? Is there a chance the AD623 is ruined? I don't think I'm doing anything wrong here, plus I've read a lot of blogs and haven't figured it out yet. Note that when I double the differential voltage, the amplification remains around 50. And when I change the resistor to 200ohms (500x multiplication according to datasheet), I get around 250x multiplication which is also half. So amplification is quite accurate, but half of what is said in datasheet.

REFand see if the "half gain" is still there. The output may be attenuated by being so close to the rail. – apalopohapa Nov 14 '12 at 01:25