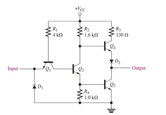
I was referring to TTL inverter circuit in the book Digital fundamentals by Thomas Floyd and its working principles first proposition went as follows:
- When input is HIGH, Base emitter of Q1 is reverse biased and base collector is forward biased.
- This permits the current to flow though R1 and into Q2's base, hence turning on Q2.
My doubt is:
1.How can you say that base emitter of Q1 is reverse biased?
- We only know that Emitter of Q1 is high.
- We do not know what the voltage at the base of Q1 is because there is R1 between Vcc and the Base.
2.How can you say that the base collector is forward biased?
- We do not know the voltage at the collector of Q1, because we do know the state of Q2 or the rest of the circuit.
-Also how can Q1 conducts current through base collector, because if base emitter voltage is reverse biased the transistor is in open circuit or off state.

