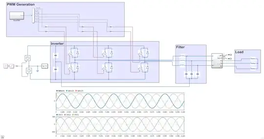
I'm trying to create a filter that filters the output of an inverter at 50kHz PWM (from reading the comments, I'm not sure if I should be calling this the switching freq?) to a sinusoidal one at 50Hz with a THD of less than 2% for the output voltage waveform (output voltage should be at 230Vrms). This circuit is supposed to model an inverted DC-AC output, with a filter attached to this output.
The schematics provided should model the inverter with an output of 50kHz PWM, although from reading the comments, I'm not sure if the voltage source allows this simulation?
I'm experimenting with a simple LCR one stage filter if possible. I understand that a low pass filter requires the shunt capacitor to short the high frequencies, but I'm not sure why the design recommended the use of a series inductor. In the schematics provided, R2 can be viewed as the parasitic resistance of the circuit, and R1 is the load resistor. I'm not sure how to calculate for the L and C values to be used to obtain the specified THD value.
I've tried running through a range of values, but I'm not sure which combination of L and C I should be using. The output waveform (a little messy because of the number of simulations I ran.)
The ideal values for L and C might not be in the range provided. Please advise.
I've included the inverter circuit so that I can output a PWM waveform. I've modelled the switches to turn ON and OFF to output a triangular wave







