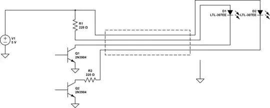
We know that it makes no difference whether a resistor is placed "before" or "after" an LED in a circuit.
- Changing the resistor to be in front or behind an LED doesn't affect brightness?
- Does the resistor have to be before or after the component
- Should Resistor be before or after an LED series
Is there a commonly used convention that encourages one or the other?
