6

On the same power supply I have connected MAX7219, which is producing terrible noise to amplifier so I can hear refreshing frequencies of MAX7219. If I hook up amplifier to battery power supply the noise is gone. I've also tried to connect 220uF electrolytic capacitor to power supply input of this board, which decreased the noise but not removed completely. Shutting down MAX7219 for a moment, eliminates the noise. Still I can hear it even from far distance. Amplifier board is on small PCB. MAX7219 is on breadboard connected to Arduino. All powered from Arduino.

I understand breadboard wiring may produce some noises, but this one is too loud. Unfortunately I don't have the scope to tell the noise spectrum, but MAX7219 update frequency from datasheet is 800Hz.

This video is to show the sadness of situation. [watch video]

[Enlarge] enter image description here

enter image description here

Pablo
  • 1,561
  • 3
  • 21
  • 42
  • Found a recording of 800 Hz online, this seems to be a higher frequency. Possibly a higher harmonic? http://en.wikipedia.org/wiki/File:800Hz.ogg – Joe Baker Dec 23 '12 at 01:29
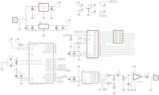
  • I don't see any MAX7219 in your schematic. – The Photon Dec 23 '12 at 01:58
  • When you added the 220 uF capacitor, did you add it to the Arduino, the amplifier board, or the MAX7219 board? – The Photon Dec 23 '12 at 01:59
  • From your video it sounds like inductor whine. Sounds like you need a bigger (higher) inductance value to lower the frequency of oscillation in the SMPS. I think, as @ThePhoton explained, critical detail is missing in your schematic. – DrFriedParts Dec 23 '12 at 02:40
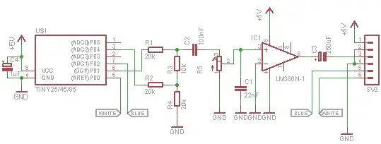
  • @The Photon: I thought the key part of eliminating noise is the PCB with ATTiny and LM386, now I see that the problem is much more complicated and involving MAX7219. I've added 220uF to the power input lines on breadboard of PCB above, which decreased noise more than if I add that capacitor directly to supply pins of MAX7219. Will update my post with MAX diagram. Reading number of articles there is something about separating grounds for analog and digital. This is my first PCB. – Pablo Dec 23 '12 at 09:44
  • The whine is about 1150Hz if I am not mistaken. – Pablo Dec 23 '12 at 09:48
  • Decouple the power supply with an extra non-electrolytic capacitor and as close to the source (the MAX7219) as possible. Electrolytic capacitors have a bad high frequency response. – jippie Dec 23 '12 at 11:30
  • @The Photon: full schematics with MAX7219 in the update message. Thanks. – Pablo Dec 25 '12 at 19:34
  • 1
    @Pablo, Spent a minute or two reviewing your schematic. Overall it looks very good. It's a long shot for solving your problem, but you might consider using more tightly spaced values for the bypassing capacitors instead of 10 uF || 22 nF. I'd suggest 10 uF || 1 uF instead. See Murata's app note (pages 18-19) for discussion of the "antiresonance" problem, which can happen when parallel capacitors are more than about 1 decade apart: http://murata.com/products/catalog/pdf/c39e.pdf – The Photon Dec 26 '12 at 17:15
  • Also, I'd add local bypassing from +5V to GND at IC1. The LM386 datasheet shows PSRR strongly dependent on bypassing. – The Photon Dec 26 '12 at 17:29
  • @The Photon: interesting app note, definitely worth to read. thanks for time! I'm going to try 10/1 as well. It's going to be long battle ) – Pablo Dec 26 '12 at 17:30
  • @The Photon: do you mean to add capacitor on power/gnd of IC1? – Pablo Dec 26 '12 at 17:32
  • @Pablo, yes. I was using the names you gave those nodes in your schematic. – The Photon Dec 26 '12 at 17:36
  • @The Photon: "typical applications" of LM386 stating 0.05uF ceramic capacitor connected to power line. I'll do the same. – Pablo Dec 26 '12 at 17:43

2 Answers2

7

Consider attacking the problem at the noise generator end, i.e the LED driver IC, not on the audio end.

One obvious suggestion (which you've probably addressed already) is to add decoupling capacitors to the MAX7219, as close to the power pins of the IC as possible. Also, since the current drawn by this IC jumps drastically as it multiplexes, it might be best to add two capacitors, a small value typical decoupling one as is always recommended, and a higher capacity electrolytic one (try 10 or even 100 μF) in parallel, between the Vcc pin and Ground.

If this too does not address the problem, it might be worth plugging a small, very low-resistance inductor into the power rail going into the LED driver: No specific reference I can quote for this, but I've used this method for noise suppression with a TLC5940 LED driver IC, using a 22 uH inductor I had available, connected between the positive side of the electrolytic cap that is tied to the power rail, and the Vcc pin of the IC which is tied to one pin of the lower-value decoupling capacitor. Thus the inductor sits between the positive pins of the two capacitors.

I will try and add a schematic later, if the explanation above is unclear.

Depending on your success with the above suggestions, please comment, in case other suggestions come to mind.

Anindo Ghosh
  • 50,446
  • 8
  • 105
  • 201
  • I've decided to go one step at a time. Since breadboard may be one of the unknowns causing the issue, I am going to make PCB first. For PCB I need complete schematics, which I've provided in my original message. As for the inductor I will try that after I have working PCB. For now, could you or anyone check the schematics and point me some obvious issues there, which may cause noise or other problems? – Pablo Dec 25 '12 at 19:32
  • @Pablo Unfortunately not for a week - Limited net access / phone browser while on vacation. Sorry. – Anindo Ghosh Dec 25 '12 at 20:16
  • no problem, hope next week you will find some time ) cheers. – Pablo Dec 25 '12 at 20:23
  • I had no luck even with recommendations, so I went for removing amplifier and put BC547 with buzzer. – Pablo Feb 05 '13 at 20:33
0

I found this thread becouse I was having the same exact issue. I added a 100nF tantalum cap across the power rail and like magic - it stopped!!

Note: I am using this on a PCB and not a breadboard.

serg
  • 1
  • 1
    100nF (which is 0.1uF) is fairly small for a tantalum cap. Are you sure that it wasn't 100uF (hundred microfarad)? – Nick Alexeev May 23 '15 at 22:02