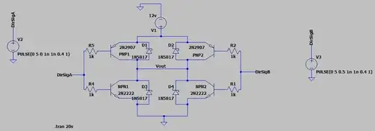
I've built a simple H-bridge circuit with LTSpice:

DirSigA (blue), DirSigB (red) and Vout (green) waveforms:

DirSig A and B are both pulse signals with a Vmax of 5v. I've been tinkering with the circuit for a while but I dont know why im getting Vout the way its shown. Im expecting it to be 12 volts when DirSigA is high and DirSigB is low and then -12v vice versa. Instead Vout turns 12v volts when both input sources are off and dips to around 11.8v when only one input is as oppose to staying 12 but changing sign. What have I done wrong and how do I fix this? Thanks.