2

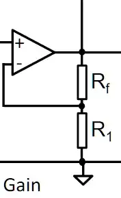
In the following op-amp circuit:

Op-Amp circuit

Rf here is replaced by the following:

Rf replacement

What do the anti-parallel diodes here serve? This is a Wien Bridge oscillator circuit and I am showing only the negative terminal of the op-amp. Once the diodes are removed the output is very unstable and I am not sure why. Maybe explaining what they do will help me.

Edit: Another question I should ask is: why are the diodes necessary when there is a parallel resistance with Rf but not when it's on its own in series?

verpas
  • 23
  • 4
  • You may want to read about the lamp stabilized Wien bridge to help solidify the reason for having this stabilization. – ScienceGeyser Mar 07 '21 at 05:34
  • Lamp stabilisation offers lower distortion because the filament's thermal inertia means the variable resistance element doesn't change value much throughout a cycle while the diode's resistance changes (almost) instantaneously. (Distortion does increase at lower frequencies, of course, as the resistance change increases). Thermistors in sealed enclosures (glass) have also been used for the purpose, with self-heating to provide gain control. –  Mar 07 '21 at 12:03
  • @Brian Drummond, BTW the inert lamp with its variable resistance is an example of a "memristor". Here is an interesting discussion about the topic. – Circuit fantasist Mar 07 '21 at 18:42

2 Answers2

4

The purpose of anti-parallel diodes in a Wien bridge oscillator is to provide non-linear feedback. For stable oscillator operation, the closed-loop gain must be 1. If it is greater than 1, the oscillations will increase with time. If it is less than 1, the oscillations will decay.

By using a non-linear feedback element, as the signal increases in amplitude, the gain decreases. If the signal decreases in amplitude, the gain increases. This permits there to be a level for the signal where the gain is exactly 1, and the oscillator is stable.

Diodes have an exponential/logarithmic voltage/current relationship. Although their use to automatically adjust gain in a Wien bridge oscillator leads to some distortion of the output so that it is not exactly sinusoidal, in practice, the distortion is often small enough for the purposes at hand. If not, another method of gain regulation is needed, or a different oscillator topology.

Math Keeps Me Busy
  • 23,260
  • 4
  • 21
  • 75
  • In the first figure I posted, there is not need for the diodes, but once you have a resistance in parallel with Rf you need the diodes for a stable circuit. Why is that the case? – verpas Mar 07 '21 at 17:34
  • @YiannisMichael Be careful with your words here. There is a huge difference between a stable oscillator and a stable amplifier. Your first circuit is not an oscillator so the notion of stability is different. – Elliot Alderson Mar 07 '21 at 17:42
  • Nice explanation... Here is another interesting WP discussion about the topic where I (Circuit dreamer) have explained in detail the gain stabilization. – Circuit fantasist Mar 07 '21 at 18:56
  • @ElliotAlderson the entire circuit is a Wien Bridge oscillator as I have stated. This is just the gain stage where the diodes appear and I still have no idea what they are used for. – verpas Mar 07 '21 at 19:03
  • @YiannisMichael, "I still have no idea what they are used for." Did my explanation not make sense to you? Is there a specific question about what I wrote that you can ask? – Math Keeps Me Busy Mar 07 '21 at 19:08
  • @YiannisMichael The top circuit, consisting of an op amp and two resistors, is not an oscillator in and of itself. It is a non-inverting amplifier, and there are stability issues for such an amplifier that are different than those for an oscillator. – Elliot Alderson Mar 07 '21 at 21:59
  • @MathKeepsMeBusy that sounded very rude of me so apologies for that. I still don't understand why there is a need for diodes when Rf is a parallel resistance in series with R1. So the diodes are a non-linerar feedback element where as the output increases the gain decreases so it allows for stability. But how do the anti-parallel diodes accomplish that? – verpas Mar 08 '21 at 18:09
  • @ElliotAlderson yes I am aware of that. I just didn't want to post the entire Wien Bridge oscillator circuit as it is a known circuit and I thought I should post the specific part I don't understand. – verpas Mar 08 '21 at 18:10
  • @YiannisMichael, the circuit you show is incomplete, but there is very probably a resistor connected to one end of your lower diagram that is connected to a) the input of an amplifier, and b) ground. The network in your lower diagram, because of the diodes, has a non-linear voltage to current relationship. When connected to the resistor that is not shown, they form a voltage divider. The variable voltage/current relationship will result in a variable input/output voltage relationship in the voltage divider. That is, the output voltage will not be a simple ratio of the input voltage... – Math Keeps Me Busy Mar 08 '21 at 18:25
  • @YiannisMichael ...but will be a higher percentage of the input voltage when that voltage is high, and a lower percentage when that input voltage is low. The output voltage of the voltage divider is then fed into the inverting input of an amplifier. Or it could be that something is swapped around. (we don't have the schematic). But any event, the non-linear voltage/current relationship is converted to a non-linear input/output voltage relationship. – Math Keeps Me Busy Mar 08 '21 at 18:30
  • @YiannisMichael Oops, what I described is in your upper diagram. R1 is the resistor I was describing. The voltage on R1 is non-linearly related to the voltage at the output of your op-amp. – Math Keeps Me Busy Mar 08 '21 at 18:34
0

Your question can best be answered through the extremely simple and intuitive concepts of "dynamic resistor", "dynamic voltage divider" and "dynamic gain".

In the first figure, a "static voltage divider" R1-R2 with a transfer ratio of R1/(R1 + Rf) is connected in the negative feedback of the op-amp. The op-amp increases its output voltage (R1 + Rf)/R1 times to overcome this "disturbance"... thus transmuting into a non-inverting amplifier with a constant inverting gain of K = (R1 + Rf)/R1. So this is achieved by the mechanism of the negative feedback.

In the Wien bridge oscillator, the magnitide of the voltage oscillations at the op-amp output (simply put, Vout) has to be constant. This is achieved by an inverting gain K(-) about 3 (Rf = 2R1) by the mechanism of something like another "negative feedback" as follows.

The Rf-R1 voltage divider is made "dynamic" (self-adjusting) by replacing the "static" resistor Rf with a "composite dynamic resistor" in the second figure. Its main part is a diode acting as a "dynamic resistor" and a few ordinary "static" resistors. This arrangement acts as follows.

If Vout tries to increase its peak value, the diode begins conducting more... ie, the dynamic resistor Rfd decreases its resistance. The Rfd-R1 voltage divider increases its transfer ratio... the inverting gain K(-) decreases... and Vout decreases as well (restores its previous value).

A few years ago, I asked an RG question about this legendary circuit (and particularly, about this part of the circuit). It provoked a lively discussion which I suppose will be interesting to you.

Circuit fantasist
  • 16,664
  • 1
  • 19
  • 61
  • Why does once the diode begins to conduct more Rfd decreases? How do the diodes relate to the resistance exactly? – verpas Mar 08 '21 at 18:12
  • @Yiannis Michael, The stand-alone diode is a non-linear "resistor" that has the property of reducing its resistance as the voltage on it increases ... but it does so very sharply (I have explained how in my answer about an LED. By connecting two ordinary resistors (R and 0-10 k) in series and another resistor Rf in parallel, a composite dynamic resistor is made with the desired IV shape... – Circuit fantasist Mar 08 '21 at 21:35
  • Roughly, we can think of the diode as a switch with a threshold of 0.7 V which connects the circuit of the two resistors with a relatively low resistance in parallel to the higher resistance Rf of 100 k (in the second picture). Thus the upper resistor Rf in the first circuit (with an op-amp) changes its resistance from high to low when the op-amp output voltage becomes to high. – Circuit fantasist Mar 08 '21 at 21:35