I am fairly new to electronics.
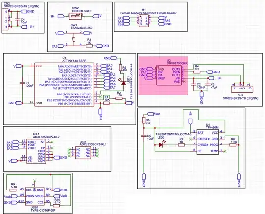
I am trying to control a single 1.5V encapsulated vibration motor with the DRV8870 motor driver without much success. The motor is connected to the circuit at CN1 with a 3.7V LiPo battery connected at CN2 as power source.
In researching how H-bridges work, even prior to coding, here are my suspicions:
- Looking at the schematic (highlighted in pink,) I noticed that the DRV8870's IN1 pin is connected to GND as opposed to an I/O pin like IN2. Is this an issue?
- Looking at the DRV8870 datasheet, I noticed that the operating voltage starts at 6.5V. Maybe the driver also isn't getting enough volts to even turn on.
Hoping someone with more experienced eyes can confirm my suspicions and/or offer guidance on altering the design/components to make this work.

How to troubleshoot a DRV8833 motor driver module problem? - EESE 2020nov09 https://electronics.stackexchange.com/questions/531470/how-to-troubleshoot-a-drv8833-motor-driver-module-problem.
– tlfong01 May 05 '21 at 09:22