0

So essentially I have a 12v constant, a 12v switch power, and ground. I am powering LEDS with it. Essentially, I put a 12v to 6v step down to power the leds at 6v. However, I want the 12v switch to power them when the switch is applied, (the switch in this case is the brake pedal of a car). So it will increase the voltage then from 6v to 12v to increase LED brightness.. What is the best way to wire this with manual components? I'd like to not need an arduino.

Thank you!

2 Answers2

1

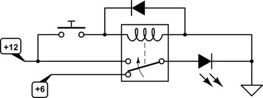
You could have the pedal activate a relay...

schematic

simulate this circuit – Schematic created using CircuitLab

The relay should be a 12 volt relay. For the diode a 1N4007 would do the job. You can read more about selecting flyback diodes in this question:

How to choose a flyback diode for a relay?

One drawback is that the 6-volt buck regulator is running all the time, even when the pedal is pressed, but it seems that the pedal is pressed only infrequently, so the +6V power supply is needed most of the time anyway.

ErikR
  • 4,987
  • 12
  • 18
  • Also brilliant and exactly what I had in mind! But I think Kartmans version is a little more simple and easier to mass produce! Thank you so much for your time and input – Nicolas Harper Jun 06 '21 at 22:11
0

Assuming this is the average brake light in a vehicle, the diodes will need to be chosen for the required current and the resistor value calculated to give the required dimming on the lamp

schematic

simulate this circuit – Schematic created using CircuitLab

Kartman
  • 6,258
  • 2
  • 7
  • 13
  • BRILLIANT! Very simple and this will get the job done! Thank you so much! – Nicolas Harper Jun 06 '21 at 22:11
  • Just to note that the diodes are required, otherwise you can get weird issues with backfeeding and ‘sneek circuits’ (unintentional circuit paths). – Kartman Jun 06 '21 at 23:37
  • definitely! I had this same idea but didn't know what was required to prevent the back feeding issue. Thank you for helping me solve this! – Nicolas Harper Jun 07 '21 at 00:18