Some context:
I recently tried to build a differential probe using the LT1364.
Upon powering up with the relevant bypass capacitors and whatnot, I realized that the LT1364 became uncomfortably warm.
I am not used to op-amps running that hot so I put some low value 10 ohm resistors in series with the power rail, to act a bit as a filter with the bypass capacitors and to also allow for current limiting to the LT1364.
I also tried using the LT1364 in a very simple square wave oscillator, using the same configuration (i.e. supply rails ballasted with 10 ohm resistors plus appropriate bypass capacitors. Later on I tried without the resistors.) The same problem persisted, the op-amp became warm.
Later, I founnd out something absolutely moronic. With nothing connected, and the op-amp inputs connected up so they don't cause oscillation in the chip, the damn chip gets even hotter.
The method of connecting the inputs to the output in a voltage follower form and short one of the inputs to ground is supposed to be how it is done, but that just causes the op-amp to draw more supply current instead.
I would be comforted if I checked my LT1364 and found that it does not work, but in fact, ALL the chips I bought worked, and ALL of them get hot under power.
What is going on?
These chips cost me close to a hundred fifty in total, and are direct from Mouser.
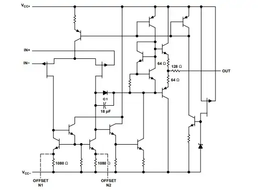
I had a look at the internal diagram of the op-amp and noted that it had a input stage quite similar to a current feedback amplifier. Is that the reason why behaves so different to other op-amps I own? (Like the LF356, 4558D, 741, TL072, etc.)
The problem with heating is that the slew rate + bandwidth of the LT1364 dependend on the chip temperature. I am also curious as to why this is even happening, and how to somewhat solve this issue.
Schematic of what I had used while playing with the LT1364s I own:

simulate this circuit – Schematic created using CircuitLab
With this set-up, the current draw on the dual power supplies is around 22mA. The same circuit is mirrored on the other op-amp package on the chip. For ease of reference, here is the datasheet provided internal circuit of the LT1364.
And the venerable TL07xx series(of which I use the TL072 more often)

As seen, the two input stages are definitely different, the LT1364's looking more like one of those CFOAs. Is this why the performance is different? Perhaps I am using it wrongly?