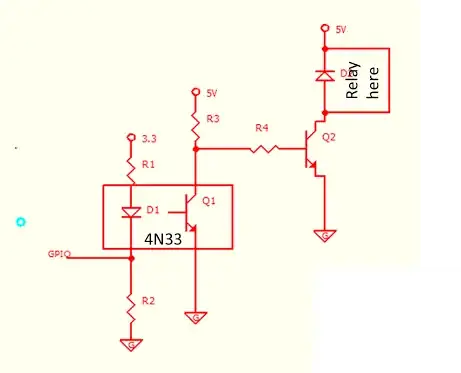
You can do it like this. Remember, BJT transistor is a current controlled device, that's why you can stack them on top of each other to form a Darlington pair.
Your optocoupler will have a current transfer ratio of ~400% at 3mA LED current, this makes 12mA running thru Q1. For Q2 you need a transistor with hfe greater than 250mA/12mA=20 MPS2222 seems to have hfe of 75 at base 10mA current, so you should be ok.

simulate this circuit – Schematic created using CircuitLab

Edit on MCU pin mode
From your comments I get that you don't get exactly how push-pull and open drain output stages operate. While it's discussed in this question, I'll just give a short description.
Plase note, that in most stm32 MCUs outputs can be configured as open drain or push pull and whole combination of internal pull ups and pull downs. This is versatile and usefull.
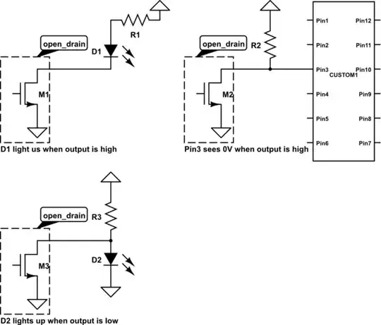
Now, what open drain is - it's just a transistor with it's drain (collector) unconnected - you can hook up your load to this drain (D1 in my schematic). You use open drain when you want to switch current. It can only sink current, not source it.
When the open drain pin is off, no current flows into the pin, the voltage at it is undefined, it is said to be "floating". When the pin is on, it just ties to the ground whatever it is connected to it.

simulate this circuit
When something outside of the pin wants to read voltage (like high impedance input), you solve this by hooking up a pull up resistor to open drain. Now, while the pin is off, output will be high as the resistor is pulling it, when the pin is on, the internal transistor slams bottom side of pullup resistor to ground.
Push-pull output actively sources and sinks current, when it's on - current flows out of the pin, when it's off - current flows into it. You usually don't use pullups or pulldowns with push-pull output.

simulate this circuit