0

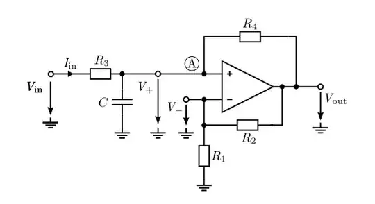
I've got a problem with an operational amplifier, which I need help to find the transfer function $$ H(s) = \frac{V_{\text{out}}}{V_{\text{in}}}$$ Since $$V_{+}(s) = V_{\text{in}}(s)\frac{1}{1+sCR_3}$$ (it is a high-pass filter) I'm only searching for the transfer function of the Operational Amplifier, which is something along \$ H_{V_+} + H_{V_-} \$

Using KVL: \$ V_{+} = V_{R_{4}} + V_{R_{2}} + V_{R_{1}} \Rightarrow V_{\text{out}} = V_{R_{2}}+V_{R_{1}} \Rightarrow V_{\text{out}+} = \frac{R2 + R_4}{R_4 + R_2 + R_1} V_{+}\$

Assuming an ideal operational amplifier: \$V_{-} = V_{R_1} \$ But this neglects the fact, that \$V_- \$ could also be an input, which leads me to the assumption that it can be put in KVL.

From here I'm stuck. How do I solve that problem? How do I get a transfer function? How can I solve the subpart from \$ V_{+,-}\$ to \$V_{\text{out}}\$? Is there an easy way to solve such problems in general?

Circuit with an operational amplifier

Since somebody assumed that this is homework: It is part of my studies but nobody will ever ask if I've done it. (I've even got the master-solution, but I'm stuck understanding them.)

Null
  • 7,603
  • 17
  • 36
  • 48
MelcomX
  • 1
  • 1
  • 1
    Since this is a homework question we will need you to show a substantial amount of effort to solve it yourself. Show us all of your work (e.g. your KVL equations) and then ask specific question. – Elliot Alderson Jan 09 '22 at 12:43
  • 1
    You have positive feedback with R4 - was this intended? – Andy aka Jan 09 '22 at 12:49
  • @ElliotAlderson Better now? – MelcomX Jan 09 '22 at 13:04
  • @Andyaka yes it seems to be – MelcomX Jan 09 '22 at 13:05
  • 1
    $V_{+}(s) = V_{in}(s)\frac{1}{1+sCR_3}$ That's a wrong assumption since there is current going through $R_4$ – Hilmar Jan 09 '22 at 14:18
  • 1
    The opamp here is used as a negative (resistor) impedance converter https://en.wikipedia.org/wiki/Negative_impedance_converter or here https://electronics.stackexchange.com/questions/460605/is-negative-resistance-possible/460678#460678 – G36 Jan 09 '22 at 14:20

4 Answers4

3

Here comes my answer:

The shown circuit is used as a positive integrator for the special case R2=R4 and R1=R3. For this condition the circuit acts as passive R3-C-lowpass with a negative resistor (NIC) compensating the loss caused by R3. This circuit is called NIC-integrator.

Let`s assume (for simplicity) four equal resistors R1=R2=R3=R4=R.

In this case, the input resistance at point A (see the circuit) is Rin=-R (NIC property, simple to derive) and the transfer function V(A)/Vin has the classical lowpass form:

V(A)/Vin=(1/sc)||(-R)/[(1/sC)||(-R) + R]=....=1/sRC

(Note that such a negative resistor (-R) can be treated in formulas like any "normal" (positive) resistor.)

When the signal at point A is amplified with the gain factor G=1+R/R=2 the resulting transfer function defined at the opamp output is

H(s)=Vout/Vin=2/sRC=1/(sRC/2) .

Added (comment): The shown circuit contains a negative as well as positive feedback loop. Hence, the question regarding stability comes up. As we can see, for the mentioned condition (R2=R4 and R1=R3) the circuit will exhibit no dynamic instability because the negative feedback will always dominate over the positive feedback due to the capacitive impedance 1/sC.

LvW
  • 26,610
  • 3
  • 23
  • 56
1

The first question you should always ask yourself solving a circuit with an idealized operational amplifier is:

Does the opamp have negative or positive feedback?

If it is not negative, then you have to calculate the circuit for two cases: one where the output of the opamp is the positive supply voltage, and one where it has the negative supply voltage.

If it is negative feedback, then you have to calculate both \$v_{-}\$ and \$v_+\$ in function of \$v_{out}\$ and \$v_{in}\$ and express the virtual short between them, or \$v_- = v_+\$ which will give you the relation between \$v_{out}\$ and \$v_{in}\$ directly (and hence \$v_{out}/v_{in}\$).

In your particular example, this is already not really obvious without some experience, but we can see that it is in negative feedback when you notice that the negative feedback branch is instantaneous.

\$v_+\$ is not just dependent on \$v_{in}\$, but also on \$v_{out}\$, so the expression you found for it is not correct and needs to account for the resistor/branch via \$R_4\$. It's also not going to be a high-pass filter, but a low-pass one. One useful method that might help you calculate \$v_+\$ is by employing superposition. Calculate \$v_+\$ when the input is 0V, then when the output is 0V, and add the two to get the actual solution for \$v_+\$.

\$v_-\$ is relatively straightforward, as it is a resistive voltage divider from \$v_{out}\$ to ground.

Sven B
  • 5,167
  • 9
  • 25
0

Well, we can use the voltage divider formula to find:

$$\text{v}_-\left(\text{s}\right)=\frac{\text{R}_1}{\text{R}_1+\text{R}_2}\cdot\text{v}_\text{out}\left(\text{s}\right)\tag1$$

And we can see that:

$$\text{i}_{\text{R}_3}\left(\text{s}\right)+\text{i}_{\text{R}_4}\left(\text{s}\right)=\text{i}_\text{C}\left(\text{s}\right)\space\Longrightarrow\space\frac{\text{v}_\text{in}\left(\text{s}\right)-\text{v}_-\left(\text{s}\right)}{\text{R}_3}+\frac{\text{v}_\text{out}\left(\text{s}\right)-\text{v}_+\left(\text{s}\right)}{\text{R}_4}=\frac{\text{v}_+\left(\text{s}\right)}{\frac{1}{\text{sC}}}\tag2$$

Using the fact that in an ideal opamp circuit we have \$\text{V}_x:=\text{V}_+=\text{V}_-\$. So, we get:

$$ \begin{cases} \text{v}_x\left(\text{s}\right)=\frac{\text{R}_1}{\text{R}_1+\text{R}_2}\cdot\text{v}_\text{out}\left(\text{s}\right)\\ \\ \frac{\text{v}_\text{in}\left(\text{s}\right)-\text{v}_x\left(\text{s}\right)}{\text{R}_3}+\frac{\text{v}_\text{out}\left(\text{s}\right)-\text{v}_x\left(\text{s}\right)}{\text{R}_4}=\frac{\text{v}_x\left(\text{s}\right)}{\frac{1}{\text{sC}}} \end{cases}\tag3 $$

Now, you can solve the transfer function.

Jan Eerland
  • 7,790
  • 12
  • 21
  • Thank you for your answer. I've two questions to it: Why is in an ideal opamp circuit V_x = V_+ = V_- ? Does that hold for all ideal opamps? Now I will try again solve it! – MelcomX Jan 09 '22 at 13:18
  • Thank you very much, It really helps me! – MelcomX Jan 09 '22 at 13:20
  • @MelcomX No, the assumption that $V_+ = V_-$ does not hold for all op amp circuits. This assumption only holds for circuits that have only negative feedback. – Elliot Alderson Jan 09 '22 at 15:47
  • @ElliotAlderson what happens when we have positive feedback? What relation between V- and V+ do we have than? – Jan Eerland Jan 09 '22 at 16:05
  • If there is positive feedback then there is no fixed relationship between the inverting and noninverting inputs. Consider, for example, an op amp used as a comparator with hysteresis. – Elliot Alderson Jan 09 '22 at 17:09
0

For help solving this schematic, here is what one gets. (to be verified).

One has a complete answer with op-amp Gain in two cases.

The plots are only for the ideal op-amp (Gain=infinity).

NB: when R1=R2=R3=R4, this circuit has the behavior of a "perfect" integrator.

enter image description here

enter image description here

Answer using simulator

enter image description here

Antonio51
  • 13,128
  • 1
  • 7
  • 22