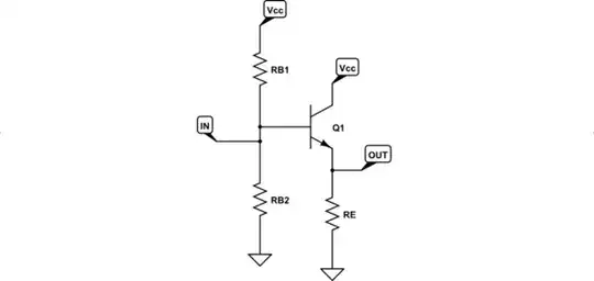
You have lots of problems in your understanding with this circuit. (The base pair is terribly sized, for example.) But let's take it slowly.

simulate this circuit – Schematic created using CircuitLab
In your circuit, though, you directly drive the base of \$Q_1\$ with a voltage source. So the base resistors are irrelevant. The still more simplified circuit becomes:

simulate this circuit
From this, you should be able to easily see that the emitter will be about a diode drop below the base voltage -- no matter what the base voltage is. So the emitter will just be about \$700\:\text{mV}\$ below the base. It will "follow" the base, so to speak.
The only new aspect here -- the only contribution that the BJT adds to this -- is that its collector can supply lots of current directed towards the emitter to "help" the base. So if the input source is at \$V_{_\text{IN}}=2\:\text{V}\$, for example, then the emitter will be at about \$V_{_\text{OUT}}\approx 1.3\:\text{V}\$ and only a tiny current will be drawn from the base with the most of the rest coming from the collector - which is directly tied to \$V_{_\text{CC}}\$ so it can provide a lot of current that way.
So this is a current-amplifier, in the sense that a tiny base current is supplemented by lots of collector current to create the emitter sourcing current into whatever else is connected to \$V_{_\text{OUT}}\$.
That's useful if \$V_{_\text{IN}}\$ can't source a lot of current and if \$V_{_\text{OUT}}\$ needs to source a lot more to whatever is connected there.
However, there is no voltage gain here. Quite to the contrary, in fact. There will be a small loss. Perhaps 95% or 98% of the original signal is all you can expect? But nothing greater than 100%.