I´m trying to develop a circuit that is able to control a starter motor with mosfets and also send a signal to control an external relay. I was able to control the starter motor through the help of a array of n channel mosfets connected in paralel. But since there is a huge amount of power necessary to control this motor I can't use the tradicional configuration of conecting a P channel mosfet for reverse polarity protection as shown in the imagem below, because it would be extremely expensive.
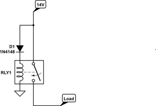
What I managed to do is ilustrated in the circuit below, I added a P channel mosfet after the flyback diode so the current of the starter motor will not flow trough it and I was able to protect the mcu and other components that are not shown in this simplified diagram.
But I would like to add this protection to the whole circuit and I'm not quite sure on how to do it, keeping a small footprint and been as cheap as possible. Any ideias?


