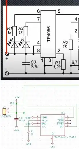
Is it OK to leave pin 6 and pin 7 (standby/charge) unconnected if I don't plan to use indicator LEDs? I would like to make a low power board.
Asked
Active
Viewed 592 times
6
-
You could always include them and not populate them. Always better to have the option than not. – StainlessSteelRat May 11 '22 at 21:09
1 Answers
10
The datasheet block diagram shows those pins as open-drain outputs only, so leaving them open is fine.
Spehro Pefhany
- 397,265
- 22
- 337
- 893
