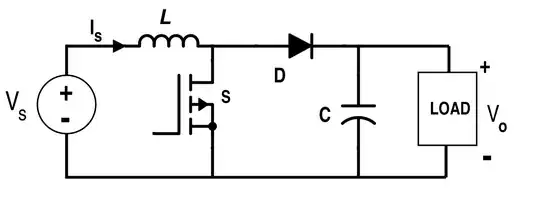
Stealing schematic from there...

The boost converter has few parts. Getting any of those wrong will wreck it though.
- Input cap
- Inductor
- Switch FET
- Diode or synchronous rectification FET
- Output cap
- Layout
- Brain (whatever is controlling the MOSFET)
It would be too long to write an answer about all the parts, so I'll just do the inductor.
If the boost is properly designed, the output/input voltage ratio and switch current are not unrealistically high, current in the inductor will be a sawtooth. Refer to your classroom notes or online tutorials for appropriate equations.
Regarding the inductor, its most important property is of course its value, which determines the amplitude of the current ripple according to input voltage, output voltage, and switching frequency. Once a proper inductor value is selected, then a suitable model of inductor must be selected.
So this is an opportunity to talk about saturation. All inductors that don't use an air core, use instead some sort of ferromagnetic material to improve on the inductance. However, above a certain magnetic flux, these materials saturate and lose their permittivity, which causes the inductor to lose some of its inductance. Depending on the material, the effect can be sharp or soft.
In a boost converter, when the switch is on, inductor current increases as \$ \frac{di}{dt} = \frac{V_{in}}{L} \$. From this, it is easy to understand that when it saturates, L decreases, which means \$ \frac{di}{dt} \$ increases, so the current increases faster, which saturates it more, which causes the current to increase even more, etc.
This puts the MOSFET in an uncomfortable position. Normally, the chip should detect the overcurrent in the MOSFET and shut it down, but it is trying to do so while current is increasing in an uncontrolled manner. This will cause extra switching losses in the MOSFET, and heat it way more than what the designer thought if inductor saturation was not accounted for.
Here's an example waveform from an appnote:

It's for a buck, but you get the idea. When the inductor begins to saturate, current through it gets spiky as it increases way faster than expected.
In inductor datasheets, you will either get a curve with actual inductance value versus current, or a spec saying it loses X% of its inductance at a current that is then called "saturation current".
This means that selecting a bigger boost chip, with a bigger MOSFET and a higher current limit threshold, is not always a good idea. You will have to select an inductor that only begins to saturate when the current limit trips. If the chip has a current limit that is too high for your application, you will end up having to use an inductor that is too large. This costs extra and adds some core losses to.
In addition, for the inductor, you must consider copper losses, which are determined by resistance. So make sure to check the maximum DC current determined by the maximum temperature of your inductor in the datasheet, and calculate the actual losses by modeling it with a series resistor, and using avg(Pd(series resistor)) to plot it in the sim.
It is usually much harder to find information about hysteresis core losses in inductor datasheets...