Curently I'm working on a design (for my own domestic use only) which is to be supplied by 230 V/50 Hz mains.
The IEC cord will be connected too one of these:
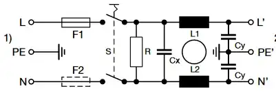
Mains Filter with Fuse 
After that, the following circuit is used to convert the 230 V into 2x 15 V (2x 3 W):

The low-voltage side is rectified and then PTC-fuse protected. PE is not connected to GND. The project uses a plastic housing. There is no switch-mode DC-supply involved - all linear.
As this is my first "real" attempt to design a project with mains-supply, I want to ask some questions to the pro's:
- Is there any obvious safety problem? (Wires between connector and PCB all spade-connector with heatshrink protection)
- Are there any parts missing, wich should be included into a proper design? (Inrush limiting is not required)
- Is the single mains fuse sufficient, or should I include 5x20 mm fuses (not PTC) on the secondary sides?
- What are the recommended PCB clearences for 230 V? I would be going with 3 mm between mains-copper and 10 mm between mains and secondary/DC.
- Are any parts missing to pass (a hypothetical) certification?
- What are common certifications for devices powered from mains and used domestically? CE, TV, VDE - what is commonly tested? (Only regarding the power supply and outside connections)
- What should I do with PE? Connect it to GND? Connect it to GND with 47p||1Meg?
Thank you!
EDIT 1:
Here is the secondary-side of the transformer including the DC circuit. Current draw on the 15 V RMS (~20 V DC after D-drops) is rather low with ~100 mA per tap.
First, right after the transformer, there are more MOVs (As good measure, not sure if required. I included them as some sort of "ESD/Overvoltage/For good feeling" protection).
Then, the transformer output (15 V RMS nom. @ 230 V RMS in nom.) gets rectified and smoothed (2000 uF in sum per tap). There is a 200 mA PTC to protect the transformer against gross overcurrent (shorts and so on) - and to limit inrush to some degree (Not worried because of 2000 uF only).
Afterwards, there are a bunch of 78xx's and 79xx's (On the second transformer winding) LDOs. They all follow the same "building blocks".
EDIT 2: As, per @Justme's comment, the MOVs from L/N to PE have been removed. Please see the comments for detailed reasons. Also, please see Article about MOVs for some good information.
EDIT: 3 I added a 10Meg||1N (3kV rated parts, THT) between GND and PE.





I did read up MOV-fire hazards: https://incompliancemag.com/article/new-requirements-for-movs-used-for-surge-suppression-on-ac-mains-ports/
I did not know about that at all - thank you for pointing with your finger!
As the mains input is protected with a fuse in the socket, the secondary fuses are intended to protect the transformer. I used PTCs for this purpose.
– ElectronicsStudent Nov 28 '22 at 06:43