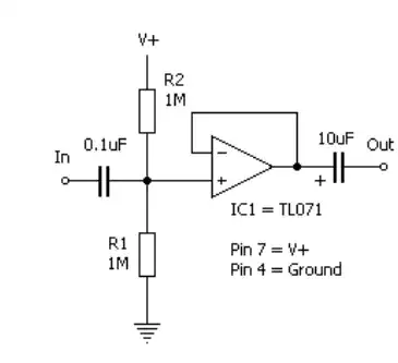
I am trying to create a buffer for a project I am working on. I found this schematic on line and built it. When I input a guitar signal the output equals V+ rather than giving the signal at the opposite side. It works as expected with a signal from a function generator. How can I fix this and why is it happening? I am using a TL074 rather than a TL071. I have configured the pins with 4 to V+ and 11 to ground.
Asked
Active
Viewed 77 times
0
-
Hard to say with the given info. What is the supply voltage and where does it come from? Is it built correctly? – Justme Mar 21 '23 at 17:24
-
1Have you properly tied off the unused op-amps in the quad? – RussellH Mar 21 '23 at 17:35
-
I'm guessing (of course) that your guitar uses one of these kinds of pickups. Regardless, though, it is pretty important to know exactly what kind of pickup is involved. You can see a pickup in this picture of the same guitar I have -- a 1953 ES-140 Gibson, zoomed up here. These are magnetic reluctance devices. They aren't the same thing as a signal generator. – periblepsis Mar 21 '23 at 17:36
-
Add a resistor (eg. 10kΩ) to ground and measure the output voltage again. Leakage in the electrolytic capacitor will cause it to read about V+/2 with a high-Z meter. If it's actually reading V+ then you probably have a short or a missing ground connection. – Spehro Pefhany Mar 21 '23 at 19:37
