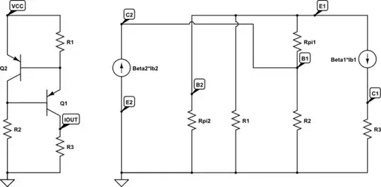
I would want to derive the output impedance of the following current source stage. I tried to convert it in small signal, could you please tell me if I'm wrong and how I can derive it to have output impedance?

simulate this circuit – Schematic created using CircuitLab
