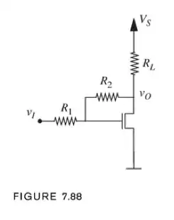
If the gate current i_G=0 then what is the point in adding the resistor R1? Here is the circuit diagram:

If the gate current i_G=0 then what is the point in adding the resistor R1? Here is the circuit diagram:

As mosfets have maximum gate voltage rating, the resistor divider at gate is used to lower the voltage the gate sees for cases when full voltage cannot be applied to it.
For example, IRF3205 has Vds rating of 55V, but Vgs - only 20V. If your circuit is operating at 50V, you can't apply 50V to gate, you need to lower it, for example by means of resistor divider on the gate.
This is a common source amplifier with gate feedback. The NMOS is not being used as a switch as others have suggested - if it is then it won't work as a switch.
You can see this by inspection : In the case that Vi=0 and you assume that initially the transistor is off, Then Vo rises and Vg will start to see voltage through the resistor divider R1-R2, which turns on the transistor, Vo then starts to drop as the transistor turns on. In this case the transistor will be biased into it's triode or even subs-threshold region(R values are not given so we can't tell).
It is more common to see this amplifier using capacitors in the place of the R's so the bias point will probably be disturbed. Since this isn't shown the best we can assume is that the input is adapted/shifter to preserve the bias point. In that case:
\$\dfrac{V_{out}}{V_{in}} = -\dfrac{R_1}{R_2}\$
It's also common to see these amplifiers with source degeneration (resistor from source to ground) which is probably why people mistakenly thought of this as being implemented as a switch.
Thanks for replying.The answers contributed to better understanding this circuit.
– kryptoknight May 14 '13 at 21:04