I am trying to understand more fully how transistor amplifiers work and I've found the Falstad simulations to be very informative, especially the ability to place a mouse at any point and look at the changing voltages and currents.
The built-in list of circuits has a "one transistor common-emitter amplifier circuit" which works very nicely, but I would like observe the operation of a two transistor amplifier. I was therefore wondering if anyone had one to share?
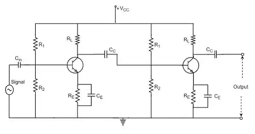
The specific question I am looking to answer is what is happening to the voltages at the point between the two transistors, since I was under the impression that the VBE voltage swing has to be quite small to avoid transistor saturation. Does the same apply to the second transistor in the circuit?
By a two transistor circuit I mean two transistor stages coupled via a capacitor, eg.


