I am debugging an ancient little impact printer and in my probing have found an unexpected voltage level. I'd like to understand this part of the circuit, why it's constructed as it is, and whether what I'm looking at is part of what's wrong, or as expected:
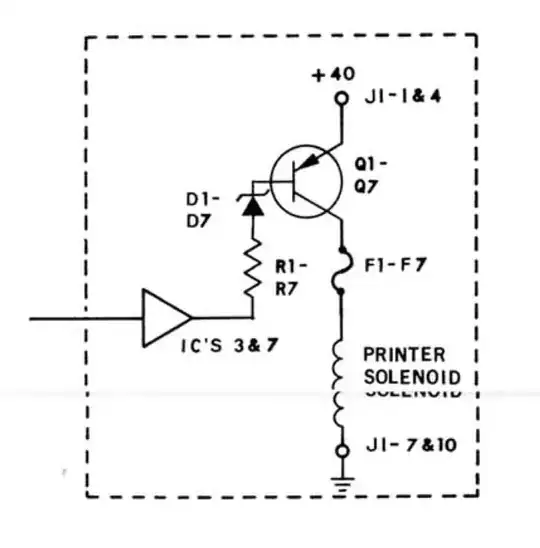
(Detail from the schematic here)
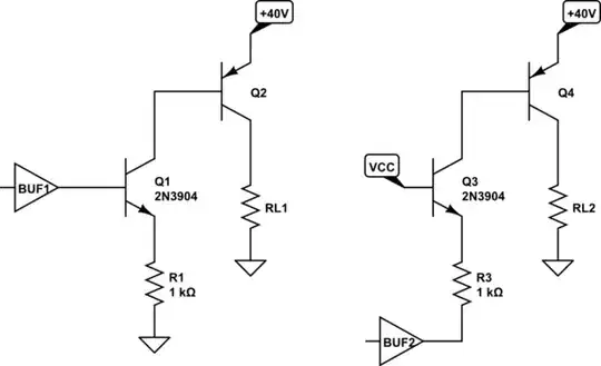
The printer has a number of little solenoids and one of these driver sections for each one, that switches on the 40VDC rail to the coil as shown. The input from the left is a TTL level signal indicating whether the solenoid should be switched on or off. The buffer shown is a 7407.
The transistor is a TIP127, and the diode is a 15V zener. (Resistor is 2.7K fwiw).
When the printer has power, the 40VDC rail is at about 41V (ok). But when I measure the voltage at the bottom of that resistor, it's about 16V. (If I pull the 7407 out it's still 16V, which I assume is because the '07 was in high-z state.)
My questions are:
- What is the purpose of the zener diode in this configuration? My first thought is that it's for some sort of back flow protection of the TTL circuit, but then I don't expect it to do anything (except drop .7V) in normal operation.
- Why am I seeing 16V at the bottom of that resistor? I'm not assuming something is "wrong" here but I don't follow how the PNP transistor plus the zener is resulting in this voltage sitting there when the coil is doing nothing-- my sense would be that a TTL level voltage (only) should be turning the transistor on and off as a switch for the coil circuit. Since there are seven of these little compositions, and they all seem to show similar values, I'd be surprised if something's wrong with all of them, but I guess not impossible.
I'm trying to understand here more than I'm trying to debug as such, so thank you for explanations of what this is trying to achieve!
