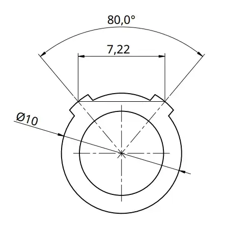
If the diameter of body as shown in this ODU plug is 10mm and the distance between the notch is 7.22mm. How do you compute the angle. I want to know which angle it is below. Pls show how you compute for the angle.
Asked
Active
Viewed 54 times
0
-
1measure the angle with a protractor ... take a picture of end view – jsotola Mar 16 '24 at 05:15
-
your plug looks to be almost 90 degrees – jsotola Mar 16 '24 at 05:19
-
The spec table shows a variant with 88 degree keys. The picture shows about 90 degrees. It is obvious that you have a connector of type "E". Why do you need more accuracy in determining the angle? – Ale..chenski Mar 16 '24 at 05:31
-
1And if you really want to measure the angle, you need to add the height of the bumps to your 10mm result, and then do some standard triangle calculations. But I doubt very much that your 7.22 mm measurement is any close accurate (you need better than 2% accuracy in measurements), and I am sure your 7.22 is jumping all over the place. – Ale..chenski Mar 16 '24 at 05:51
-
Take a picture from the front and superimpose it on the spec sheet. Or see if the part number is printed on the housing. – vir Mar 16 '24 at 06:01
-
pls compute approximately to get idea if it is 60 or 80 degrees. I used picture taken from front but still cant decide – Jtl Mar 16 '24 at 07:26
-
1@Jtl Get one of these. Or else take a measurement from one side of the barrel to the other, so as to include the height of one of the bumps (should be more than 10.02 mm.) And why do you insist on calculating it rather than just using your eyes to judge 20-degree differences? – periblepsis Mar 16 '24 at 07:43
2 Answers
3
I used Onshape to produce this model:
Given the dimensions you mentioned, this resembles very closely what you have. I don't see how it can be anything other than 80°.
Simon Fitch
- 34,939
- 2
- 17
- 105
-
+1 Drawing something in a parametric CAD package has replaced a lot of tedious and error-prone "shop math" trig calculations. – Spehro Pefhany Mar 16 '24 at 12:00
-
1Thanks @SpehroPefhany, it's also the cheapest, quickest upvote I ever earned – Simon Fitch Mar 16 '24 at 12:54
2
While this is an electrical component the answer is more of a math question.
You want to find the central angle (θ) knowing the cord length (L) and radius (R).
The formula would be: \$θ = 2\cdot arcsin (\frac{L}{2R}) \$
But in your case use an R of about 5.5mm since you are measuring at the top of each notch.
Using the above formula I calculate an angle of about 82 degrees. So the correct connector from the chart should be "E".
Also see this simular Math SE post:
https://math.stackexchange.com/questions/2942376/calculate-angle-between-a-chord-and-the-circles-origin
Nedd
- 10,391
- 17
- 24




