I want to install an AUX connection on my car navigation system. I have never done such thing before, though. I searched a bit around and a very similar installation to what I need is here on Saabworld.net. However, I don't have that cassette player but a navigation system, so the board looks different. I haven't really played around yet but I thought I'd ask some more experienced people if they see from the pictures of the board and/or the connectors whether it is obvious where to soldier the AUX input connection.
If not obvious, maybe you could give me helpful tips what I would have to look at or where/how to get the necessary information.
Edit: Thanks to a hint, the head unit might not have any audio signals at all on the board. From here you can see that the main unit is in the back of the car. Edit: From other sources, I have read that it is possible to install a telephone headset. This must be somewhere in the front of the car. Some more information about the telephone input is here. Some more about the audio system in general (but which mostly just confuses me) is here.
The communication between the different parts is via the (I)-can protocol. There is the Saablin project - a small Linux - which has reversed engineered the protocol and enables usages such as to install a line-in (by emulating the CD changer). For example, see here. A similar project is an Arduino project here. However, that might be overkill for me.
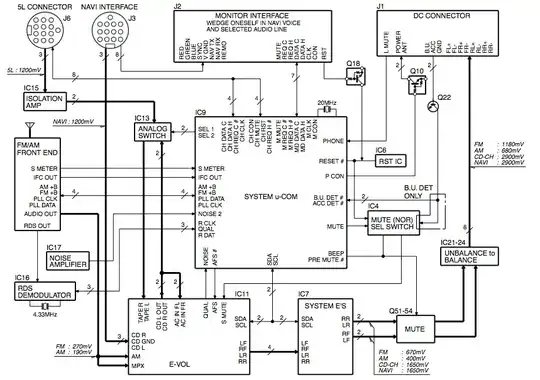
About the main unit:
It is a Kenwood KNA-DV2200/S.
I only have pictures from the outside yet as I haven't yet uninstalled and opened it. However, these pictures are already interesting. You have two cinch connectors there which look very much like a line audio input. There is also some not-connected plug with 5 pins (or so). Maybe that is for telephone and it would enable the cinch audio input somehow?

About the head unit board:
What is that CN5 connector on the board which is not plugged?
Or, from the input adapters here or here, I'm not sure whether they might already fit to some of the connectors. (It says there that it is for Saab 93/95 from 2006-2009, but mine is a Saab 95 from 2004, so not sure if it is compatible.)
Or, what is that yellow cinch plug on the back? Edit: That is video input as it says on the back of the board.
Or, is the whole unit just digital and the digital-analog conversion is done somewhere else in an external amplifier? I think that 6-pin plug is the output. I'm not sure if that is something digital or analog.
What are (or might be) the connectors ACC, PARK, ILL, ILL-CONT, BU, REMO?
Some of the chips on the board:
- NEC D703033AGC. Probably this microcontroler.
- 78DL05F. This (Semiconductor) or this (Low Drop output Voltage Regulator).
- 7611C. Not sure which one. Maybe an amplifier? The whole section of the board seems all radio related (multiple coils and capacitors - I added a picture of that). Or maybe this one (Bipolar IC For Switching Power Supply Control).




