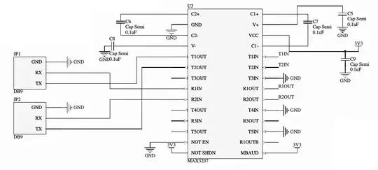
I've got a TI MAX3237 5 TX / 3 RX transceiver (TI datasheet, Maxim datasheet) set up as follows: 
The supply is 3V3 from a BeagleBone Black, measured at 3.35v. The CMOS level inputs and outputs (T1IN, T2IN, R1OUT, R2OUT) are taken out to headers, where I can connect them as desired.
The receive part of the transceiver is working great. I can put an RS232 level signal on R1IN / R2IN and receive a level shifted version on R1OUT / R2OUT. I've confirmed this both by looking at it with a scope, and by actually hooking the outputs up to a UART and receiving data.
The problem is transmission. Putting a signal on T1IN results in nothing on T1OUT - literally. The signal level is at 0V. Channel 1 (yellow) is the UART output, and channel 2 (green) is T1OUT. (this is with the output also connected to a RS232 receiver - with the receiver disconnected the result looks the same)

I've measured V+ and V-, which seem to be at 2.37V and -2.37V respectively; while the datasheet claims they should be 5.5V and -5.5V. Could this be the problem? If so, what could be causing it? I'm using non-polarized ceramics as my capacitors.