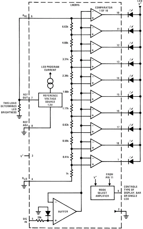
A "Dot/Bar Display Driver". Drives 10 LED's at -3 dB per LED, for a range of 30 dB.
A "Dot/Bar Display Driver" used to create "high rise displays" from an analog input.
Functional Diagram

Typical Application

See Also
- TI's data sheet (pdf) and product page.
- The
op-amptag.