5

I've built AA5TB's antenna coupler:

enter image description here

I left out C2 because I didn't understand why I would need it - why would I? It works fine without.

Unfortunately, when I started tuning for a 5W 20m transceiver, the LED was on all the time. I then measured with a multimeter the AC voltage over the LED, and tuned to its minimum, about 3.2V~. The maximum was about 4.2V~. I was thinking of changing R4 and/or R5 so that these extremes are a bit lower. Is that the right way to do this? I'm worried, because I'd say the resistance of the whole R4-R5-D2 circuit should be about 51 Ohm, like the other resistors. Or would adding C2 resolve this issue?

Kevin Reid AG6YO
  • 24,506
  • 7
  • 51
  • 103
  • Hi Camil, welcome to Amateur Radio Stack Exchange! You have asked two interesting things here -- do you think it would be all right to split this into two separate questions? As it is, it's a bit difficult to answer both questions at the same time, since they are quite different in terms of scope. – mtrberzi Dec 11 '14 at 16:04
  • 2
    @mtrberzi yeah, I was thinking that after posting. Here's the other question, for reference: http://ham.stackexchange.com/q/2400/885 –  Dec 11 '14 at 16:07

2 Answers2

1

C2 removes the AC component across the LED, and prevents the LED from being on when the antenna is matched to 50 ohms. You say the circuit works anyway -- probably at QRP levels it's not bright enough to see. I bet if you try it in a dark room, or with a higher power transmitter, you will see it.

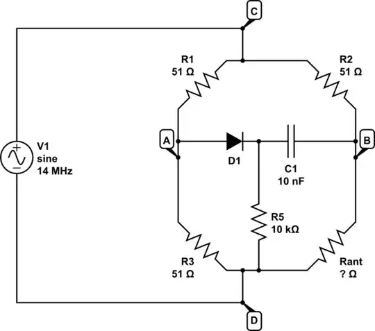
Anyway, consider how this circuit works. Here's a simplified version which makes the antenna impedance more explicit, and lacks any sort of visible indicator:

schematic

simulate this circuit – Schematic created using CircuitLab

This is a Wheatstone bridge. V1 is your transmitter, and the antenna is the resistor of unknown value ($R_{ant}$).

Think of it this way: $R_1$ and $R_3$ form a voltage divider, and $R_2$ and $R_{ant}$ form another.

D1, C1, and R5 make a peak detector. If $R_{ant} < R_3$, then on the positive cycle of V1, the voltage at A is greater than the voltage at B, and C1 charges through D1 to the peak difference.

If $R_{ant} > R_3$, then on the negative cycle of V1, the voltage at B is more negative than at A, and again C1 charges through D1.

But if $R_{ant} = R_3$ (50Ω, our target impedance), then there is no voltage between A and B, and so D1 can never be forward biased, and so C1 can have no voltage across it, except for a small AC component via R5. The time constant of C1 and R5 make a filter with a cutoff frequency of

$$ f_c = \frac{1}{2\pi R C} = \frac{1}{2 \pi (10\:\mathrm k\Omega) (10\:\mathrm{nF})} \approx 1600\:\mathrm{kHz} $$

This is so low far below the frequency of V1 that we can consider the AC component of the voltage across C1 to be zero. Instead, it appears across R5.

So now, look back to your circuit with the LED. It is connected across R5, which has some RF voltage across it all the time. When C1 is charged because the antenna isn't 50Ω then there is additionally some DC component, and it's really this DC component that we are interested in. Remember, a capacitor looks like a low impedance at higher frequencies, so by adding C2, you are effectively shunting any RF current around the LED, so that the LED sees only the DC component.

An alternate solution to this problem is to connect the LED across C1, like this:

schematic

simulate this circuit

For that matter, why bother with two diodes when you already have one? An LED doesn't make a great RF rectifier, but I bet it works well enough at HF in this application. In fact, with one less diode drop of voltage I bet it's even more sensitive. We don't really need the capacitor since an LED flickering at 14 MHz looks just the same:

schematic

simulate this circuit

Adjust the value of R4 to get the right LED brightness for your transmitter power.

One might ask why AA5TB's design is the way it is, and I'm guessing it's because that's how someone else did it, and the design was just copied with minor modifications. R4 and R5 together used to be a potentiometer. The arrangement of connected the LED to ground instead of point B (thus requiring C2) is probably because the LED used to be a meter. If you have a meter with a metal casing, and you are building this in a metal box, it may be easier to connect the meter to ground than to isolate it from the enclosure. With an LED you have no such restrictions.

Phil Frost - W8II
  • 51,701
  • 6
  • 88
  • 212
  • I added C2 and adjusted R4 to 2K7, now the dip is a lot clearer. Thanks for a great explanatory answer, this helps a lot in my understanding! –  Dec 12 '14 at 15:21
  • @CamilStaps It occurs to me that the circuit could be simplified even more. See edit. – Phil Frost - W8II Dec 13 '14 at 14:59
  • I tested this and it works as well, thanks. I had to make R4 a little smaller to make the LED light bright enough, I suppose because the capacitor was removed which makes the effective voltage over the LED smaller? –  Dec 13 '14 at 18:58
  • 1
    @CamilStaps yeah, and also your LED probably has a capacitance greater than and 1N4148, which like C2 in your schematic serves to effectively shunt some of the RF current. Or thinking of it another way, the capacitance makes it harder for the transmitter to increase the diode current on each cycle since it must also charge the capacitance. And, the LED duty cycle is less, because it's on only during the positive half of the cycle. – Phil Frost - W8II Dec 13 '14 at 20:18
0

The actual values of R4 and R5 are not important; what is important is their ratio, since in this configuration they are acting as a voltage divider. If you have a pretty good idea of what the "correct" tuning for your transmitter should be, try this: replace either R4 or R5 with a variable resistor or potentiometer. Adjust the potentiometer for maximum voltage across the LED when your transmitter is correctly tuned, and minimum voltage across the LED when poorly tuned or mismatched.

Capacitor C2 is not essential and can be left out. C2 has a "damper" effect on the LED; it slows down the rise and fall of voltage across the diode. This does two things: it protects the LED against large transient voltages, and it keeps the LED lit for a longer period of time after the voltage has fallen to zero (e.g. between CW symbols). However, C2 doesn't interact with the rest of the circuit, so adding it would likely not resolve the issue you are having.

mtrberzi
  • 872
  • 1
  • 5
  • 19
  • 1
    Thank you for your answer. I think there are two things that may be slightly incorrect: 1) the circuit works like this that the LED is off when correctly tuned and on when poorly tuned. 2) C2 has a value of 10nF - isn't that too small to affect the on-time of the LED? But anyway thanks, I'll go ahead and put a potentiometer. –  Dec 11 '14 at 17:23
  • That's interesting. Let me know what happens with the potentiometer and I will revise my answer. As for the capacitor, most integrated circuits, for example, are designed to use a 100nF decoupling capacitor, which works well to smooth out transient voltages; this is only 10% of that, so I'd think it should still have some effect on the on-time. – mtrberzi Dec 11 '14 at 18:32
  • A decoupling capacitor is to filter out high frequencies, but these frequencies are so high that you won't see the difference with the naked eye (see http://electronics.stackexchange.com/q/59325/17592). Anyway, yes, I'll let you know how it goes. I'm afraid it'll have to wait till Saturday though. –  Dec 11 '14 at 18:40
  • Ah, right, I was momentarily confused. Maybe there is some filter action here as well? I hadn't thought of that. Is it possible to try it with the capacitor? – mtrberzi Dec 11 '14 at 20:08
  • I added the C2 and changed R4 to 2K7, and now it works a lot better. Thanks! –  Dec 12 '14 at 15:20