First a definition: Let there be a quantum like that consists of $2^n=N$ partitions each of size $n=\log_2 N$: $$|x_0\rangle|x_1\rangle\cdots|x_{n-1}\rangle = |x_0x_1\dots x_{n-1}\rangle $$
Like in most state preparation schemes I start from $|00\dots0\rangle|00\dots0\rangle\cdots|00\dots0\rangle$ (where every $00\dots0$ represents a binary with $n$ bits, and I don't say that I permute $0$'s, it's just my initial state!). Is there an efficient way to generate to following quantum state: $$ \sum_{\pi_k\in S_N} |\pi_k(x_0x_1\dots x_{n-1})\rangle, $$ where $\pi(x_0x_1\dots x_{n-1})$ are all possible $n!$ permutations of $n$ elements. The final state is permutationally invariant under all permutations, but I'm not sure if this can be used for the generation.
I prefer implementations without measurements and no ancilla.
Update: A worked out example, another one and an inefficient way
Starting from the $2$ qubit state $|00\rangle$ I'd like to end with $\frac1{\sqrt 2}(|01\rangle+|10\rangle)$, which is accomplished by the following circuit:
Everything unitary! Since it was addresed in on of the answers: What happens to $|10 \rangle$? It revertibly maps to $\frac1{\sqrt 2}(|01\rangle-|10\rangle)$.
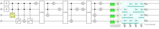
Let's try with $n=4$:
- Let's start again with $$|00\rangle|00\rangle|00\rangle|00\rangle$$
- Create a superposition in the first register: $$ \frac1{\sqrt 4}(|00\rangle+|01\rangle+|10\rangle+|11\rangle)|00\rangle|00\rangle|00\rangle$$
- Pick one, lets say $|11\rangle$. We need to split the second register in an equal superposition of 3 levels, but in a controlled way. So every unitary in the linked answer needs to be performed controlled by the first register, i.e. doubly controlled. There are four of these operations. Here is the circuit for register 1 and 2:
where I condensed the controlled-split-into-3 gate into a easy-to-replicate block. The Toffoli's after the block take care of the fact that we need to split into varying sets of 3, according to the first register.
EDIT Since they only idle around, I ommitted the third and forth register (qubits 5 to 8) in this step.
- Along the same line for the third register, where we apply $4\cdot3=12$ operations, which split the third register in 2 levels vontrolled by the first and second register.
- Another $24$ operations for the forth register or maybe less because we can skip those who have to end on a $|0\rangle$, because it is already there...
The final state I would get with this procedure, written in decimal basis is $$\tiny |3210\rangle+|2310\rangle+|3120\rangle+|1320\rangle+|2130\rangle+|1230\rangle+|3201\rangle+|2301\rangle+|3021\rangle+|0321\rangle+|2031\rangle+|0231\rangle+|3102\rangle+|1302\rangle+|3012\rangle+|0312\rangle+|1032\rangle+|0132\rangle+|2103\rangle+|1203\rangle+|2013\rangle+|0213\rangle+|1023\rangle+|0123\rangle $$ and in qubit representation: $$\tiny |11100100\rangle+|11100001\rangle+|11011000\rangle+|11010010\rangle+|11001001\rangle+|11000110\rangle+|10110100\rangle+|10110001\rangle+|10011100\rangle+|10010011\rangle+|10001101\rangle+|10000111\rangle+|01111000\rangle+|01110010\rangle+|01101100\rangle+|01100011\rangle+|01001110\rangle+|01001011\rangle+|00111001\rangle+|00110110\rangle+|00101101\rangle+|00100111\rangle+|00011110\rangle+|00011011\rangle $$
This approach extends to an exponential number of multiply controlled operations. Does anyone know if there is a more efficient one?

