This question refers to Nielsen and Chuang's Exercise 4.22:
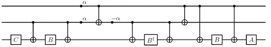
Prove that a $C^2(U)$ gate (for any single-qubit unitary U) can be constructed using at most eight one-qubit gates, and six controlled-not gates.
To prove this, I decomposed all $C(V)$ operations into $AXBXC$ form and ended up with 9 single-qubit gates and 8 C-NOT gates. So I need to now get rid of one single-qubit gate and 2 C-NOT gates. To do the former, I changed the order of $V's$ and got rid of 2 single-qubit gates with combining 2 pairs of single-qubit gates.
For example: as $C=R_z((\delta - \beta)/2)$ and $A=R_z(\beta)R_y(\gamma/2)$
became
$CA=R_z((\delta - \beta)/2)R_z(\beta)R_y(\gamma/2)$

For the CNOT gates, I can't touch the 2 C-NOT operations on qubits 0 and qubit 1 because they are important for the functioning of $V^\dagger$. The only way then is to reduce the 4 CNOT gates that compose the 2 $C(V)$ gates. I am encountering some difficulty here. Any help/hint will be appreciated.
*This is not a homework question. I am self-studying from Nielsen and Chuang for an independent project.




