I have a developer background missing the electronics background. I read some threads with great interest:
I need to drive three relays and because I already destroyed a RPi by using too much power I was thinking to power the relay-modules by an external 5v psu Psu (Vcc), RPi and relay's ground pins all connected together. The Relay's IN-pin is directly connected to different GPIO pins (cf. image). This should be possible according one of the answers above.
Now I see the relay is always on (green led is always burning) even if I toggle the GPIO value Low <-> High. However, I see some difference in current consumption
- If the GPIO value is low, only 136uA is consumed.
- If the GPIO value is high, 4mA is consumed (I think this is safe, just below 5mA).
But, again, in both cases the relay stays ON and is not toggling when I expected it.
Can someone give me some advice/tips to 'debug' this problem? Many Thanks.
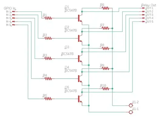
EDIT: V2
Thank you all in advance for the extensive information and answers. I try to process them, not easy. To @Joan: I can't find a schema right away. But it is the relaymodule that is visualized in the next question, exact the same (Using single 5V relay (jqc-3ff-s-z) - safety advice required).
Furthermore, I understand that the voltage is not high enough. That seems already logical to me. It also reminds me that I tried the sparkfun logical converter (https://learn.sparkfun.com/tutorials/bi-directional-logic-level-converter-hookup-guide/all) Also without result:
- GPIO off: gave a stable relay off situation
- GPIO on: caused the relays to vibrate (on-off and vice versa)
cf. Fritzing scheme. (Sorry for my incompetence to provide a detailed scheme) So if anyone can help met through this set-up It's fine for me too. Already thanks a lot!
Edit - V3
@joan,
as asked I added some pictures of the module. Hopefully you can help me out with this. Thanks already.








