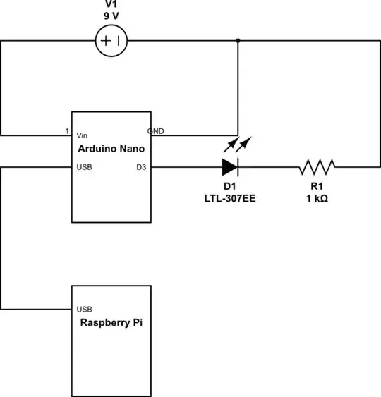
I am trying to prototype a circuit involving an Arduino nano, using a raspberry pi (on which I am typing this question). I have connected the nano to a 9V DC power supply via its Vin pin, with GND connected to the power supply ground.
I can program the arduino and have a simple blinking LED test circuit. But when I plug in both the USB cable and the 9V supply, the screen connected to the raspberry pi (through its HDMI port) goes dark. Sometimes it flashes back on, but it's unstable.
The raspberry pi doesn't actually reset itself and the OS still carries on functioning, with network, USB etc. running normally. It just seems to be the screen / graphics that is affected. Unplugging either the USB port or the 9V supply, restores the pi to stability.
As you can imagine, this makes it quite difficult to prototype circuits which draw a significant amount of current.
Has anybody experienced this before and is it a known issue?
Edit: the schematic of what I'm attempting to do is like so:

simulate this circuit – Schematic created using CircuitLab