I am struggling with the same latching relay featured here:
Command/control latching relay using gpio pin only
Edit: somehow there's been confusion, I'm trying to activate this, the latching relay that's mentioned right in the question linked above:
Like the original author, I noticed the left pin, when attached to the ground, will trigger the relay. However I want to be able to control it from both the raspberry pi, and a momentary switch (which I want to work even while the pi is off) .
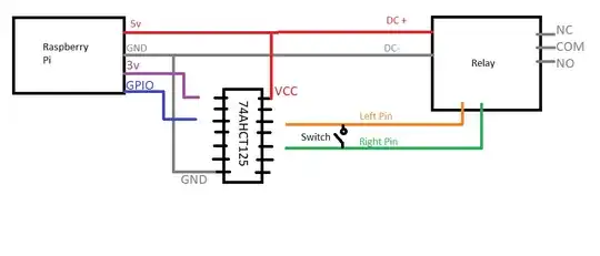
Currently I'm here:

But I'm having a hard time understanding the answer. I get that I not only need, but would like more information on this subject. I plan to take a course for that at my University (even though it's not relevant to my degree).
For now, could you explain like I'm Five what I need to do to accomplish this? If I had to take an educated guess, this is what I would end up with:

I have no limit on how many connections I can make, like the op in the post above seemed to, as they'll be in close proximity of each other. I just need the gpio to be able to trigger the latching relay by any means necessary essentially (and hopefully not kill the pi).
If you could sketch up what you would have me do, that would be greatly appreciated. I'm aware tlfong01 did just that in the post, but it has me lost. it looks like in his drawing, GND is going to 3Y according to pinouts on this? (Rhetorical) https://cdn-shop.adafruit.com/product-files/1787/1787AHC125.pdf I'm not even sure if that's right, or what 3Y is, and could very much use a... 5 year old friendly drawing if that's not asking too much.


how would you connect two switches, so that either switch would activate the relay?– jsotola Jan 22 '22 at 00:38