4

I'd like to connect my Raspberry Pi and my Arduino Uno with SPI. I saw a solution here, but sy wrote at the end that this is wrong, because Raspberry Pi transmitting/recieving 3,3V on the pins and Arduino on 5V.

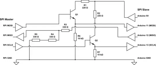
So I made up my mind to solve this. This is what I have in mind:

schematic

simulate this circuit – Schematic created using CircuitLab

Is it OK?


UPDATE 1:

Here I read that Arduino input pins are high-impedence inputs, they draw about 1uA current. Also logical HIGH is above 2V (to be sure 2,7V). And 3,3V is above it. So a simple cable from a Raspberry output to Arduino input is suitable.

Here I read that "never source or sink more than 0.5 mA into an input pin" (on Raspberry Pi). So R=5V/0.5mA = 10K resistors is needed in the voltage divider.

adtewa
  • 111
  • 2
  • 9

1 Answers1

1

That may be way over the top for what you need.

The Pi only acts as the SPI master which means that slave select (CEx), clock (SCLK), and MOSI are outputs from the Pi and inputs to the Arduino. You probably don't need any conditioning on those signals. You can connect pin to pin (with a series resistor if you are of a nervous or careless disposition).

The Arduino output line will be 5V and is not safe to feed into the Pi's 3V3 MISO GPIO. For that line a voltage divider (e.g. a simple resistor divider) is all that is needed to cut the 5V to 3V3.

joan
  • 71,024
  • 5
  • 73
  • 106