1

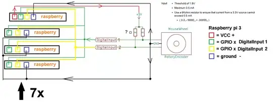
Im having 7 raspberri pi's 3 connected to 7 screens, running an python 2.7 app to download different images from google drive, every raspberry has different images. Geeqie is displaying those images in an slideshow. The idea is to have one hardware scrolling mechanism (like an rotary encoder), providing the same input at the same time to all 7 raspberri pi's their GPIO input pin (or pin's in case of the rotary encoder). The python script handles the input. This is required so all images switch at the same time in geeqie.

Any idea's how to provide the same input signal at the same time in all 7 raspberry pi's 3 their GPIO input pin('s)?

It's not really clear to me how this circuit would look like. With keep in mind the max input current.

My idea's so far: idea1

idea2

Update 15-12-2018:

So far it is working like Dmitry Grigoryev suggested. The python script to detect the input is an slightly modified version of the: Ultimate rotary encoder switch decoder. I only tested it with 1 raspberry so far, will update this when I tested it on all 7 raspberri pi's. update1

update2

BramscoChill
  • 113
  • 5
  • Why not do it in software. One Raspberry takes the GPIO input and publishes on an MQTT topic. Every other Raspberry is an MQTT subscriber and reacts when it gets the published message. Doing that with Mosquitto and the Eclipse Paho MQTT python library is trivial. – Dougie Dec 10 '18 at 19:36
  • 1
    @Dougie You have a non-trivial definition for "trivial" :) At the very least, doing what you suggest would require a network connection between all the RPis, which involves a switch / router. – Dmitry Grigoryev Dec 12 '18 at 13:01

1 Answers1

0

Your idea looks ok except the +5V part. Use the 3.3V reference voltage (e.g. from pin 1 of the connector), and use pull-up resistors of about 1kOhm.

Dmitry Grigoryev
  • 27,928
  • 6
  • 53
  • 144
  • Also, with the diodes to protect the RPis should buggy software makes one of those input pins an output instead you will need to ensure that the pull-ups/downs on the two pins used as inputs on each RPi are switched off - which can be done in the device tree loaded during booting IIRC - if they are set to pull-downs – SlySven Dec 20 '18 at 00:06
  • In the second circuit the pair of diode are going to clamp the high level of the volt fed to the GPIO pins to their forward voltage (of 0.7 volts for normal silicon diodes) https://en.wikipedia.org/wiki/Light-emitting_diode#Miniature - if you change them to green ones with a Vf of around 3.0 Volts (phosphide NOT nitride) LEDs they will flash as you twiddle the encoder's knob and they should clamp the voltage applied to the GPIO pins if you do feed the resistors with the higher 5V supply - but make sure the LEDs are securely soldered into the circuit...! – SlySven Dec 20 '18 at 00:35