Is this possible to place like a AMD 6970 HD graphics card on a 1u server?
It depends on the specific server, but probably not.
Model would be a dell, or hp probably. I'm looking at http://www.ebay.co.uk/itm/400445182450?s...1423.l2649 and http://www.ebay.co.uk/itm/110778364805?s...1423.l2649
Your links are truncated; there is an ellipsis in there. You got lucky this time because eBay links only need the item id which fortunately for you was actually present in the links you posted, but in the future, keep an eye out to make that sure you post the full link.
Anyway, there’s a couple of problems with your question:
- Both of those are 2U, not 1U.
- Both of those include PCI-X, and only have an optional PCI-Express SCSI module.
You would not be able to use a 6970 HD with these.
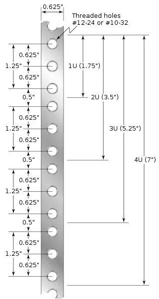
As to the general question of a video-card in a 1U blade server, one rack unit (1U) is 1.75" (4.445cm) high (figure 1), so you would need at least 2U for most consumer-grade video cards.
Of course this is if the server has slots for vertically mounting cards. Most servers often tend not to support expansion through cards in general, but the ones that do, will often have their slots oriented so that the card plugs in horizontally, in which case the dimensions of the card are all but irrelevant, even in a half-rack (figure 2). Other will have a daughterboard/riser (figure 1) which will let you install a card horizontally as well—this is common on low-profile desktop systems (figure 2).
Regardless, you will have to do some research for yourself to find out for sure whether it will be compatible or not when you decide which specific server and card you want to buy. The size of the card will vary from vendor to vendor, so for example, a Sapphire HD 6970 will likely be at least a little different from a Powercolor HD 6970 which will in turn be different from a reference (AMD branded) card.
The bottom line is that servers are just not meant for this sort of expansion; they are generally only meant to have their RAM and drives upgrade, and perhaps a CPU. This makes sense because servers don’t usually need a powerful video- or audio-card.
You should examine whether you need the video upgrade or else whether you need the server instead of a regular desktop system.
Figure 1: Standard vertical dimensions of server racks

Figure 2: Standard horizontal dimensions of server racks

Figure 1: Photo of a riser-board from a Compaq

Figure 2: Photo of an IBM system with a daughterboard with MCA slots
