I'm trying to create a summing amplifier circuit using circuitikz with ellipsis to show that it may have infinitely many branches. Unfortunately, unlike \cdots on a horizontal line, \vdots isn't aligned properly when using the method in this answer:
Here's my code:
\begin{circuitikz}
\draw node[left]{\(v_{N-1}\)} coordinate(vn1)
to[R=\(R_{N-1}\), o-] ++(right:2) node[op amp, anchor=-](o){}
to ++(up:1) coordinate(rfl)
to[R=\(R_f\)] (o.out|-rfl)
to (o.out)
to[short, -o] ++(right:0.5) coordinate(v0t);
\draw(rfl) -- ++(up:2) node[midway, fill=white, scale=2]{\(\vdots\)}
coordinate(x)
to[R, l_=\(R_1\), -o] (vn1|-x);
\end{circuitikz}
Is there a way to fix this?
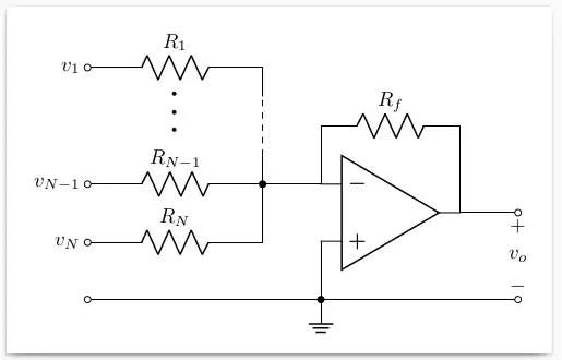
Here's the finished product:
\subsection{Summing Amplifier}
\begin{center}
\begin{circuitikz}
\draw(0,0) node[left]{(v_{N-1})} coordinate(vn1)
to[R=(R_{N-1}), o-] ++(right:3) coordinate(rn1r)
to ++(right:1) nodeop amp, anchor=-{}
to ++(up:1) coordinate(rfl)
to[R=(R_f)] (o.out|-rfl)
to (o.out)
to[short, -o] ++(right:1) coordinate(vot);
\draw(rn1r) -- ++(up:2)
node[midway, fill=white, scale=2, rotate=-90]
{\(\cdots\)}
coordinate(x)
to[R=\(R_1\), -o] (vn1|-x) node[left]{\(v_1\)};
\draw(rn1r) to ++(down:1) coordinate(rnr)
to[R=\(R_N\), -o] (vn1|-rnr) node[left]{\(v_N\)};
\draw(o.+) to ++(down:1) node[ground]{} coordinate(gnd)
to[short, -o] (vn1|-gnd);
\draw(gnd) to[short, -o] (vot|-gnd)
to[open, v<=\(v_o\)] (vot);
\end{circuitikz}
\end{center}
[v_o = -R_f\left(
\frac{v_1}{R_1} + \frac{v_2}{R_2} + \cdots + \frac{v_N}{R_N}\right)]






to[R=\(R_{N-1}\), o-*](otherwise the circuit is ambiguos... https://www.allaboutcircuits.com/textbook/reference/chpt-9/wires-and-connections/ ) – Rmano May 29 '23 at 09:48