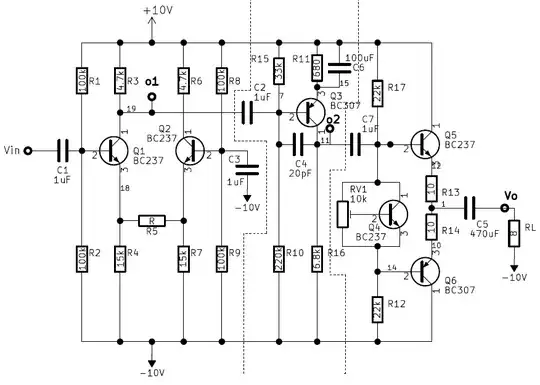
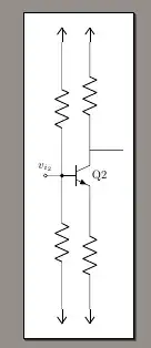
I made this circuit, but I would like to separate the circuit into different subcircuits like the one shown in the image. I would like that by commenting on a subcircuit I can reproduce the other subcircuits, that is, show different parts of the circuit as requested.
\begin{circuitikz}[american]\draw
%Inicio de la etapa de potencia
(15,0) node[npn](Q5){$Q5$}
(Q5.B) --++ (-1,0) coordinate (B)
to[R,l_=$R_{17}$,*-*]++(0,3.54) coordinate (B1)% node[vcc](VCC){$+10\volt$}%Activar y desactivar para solo esta etapa
-| (Q5.C)
(B) to[C,l=$C_{7}$] ++ (-2,0) coordinate (F)%Desactivar para unir con las demás etapas.
(B) --++(0,-1.5) coordinate (C) --++(1,0) --++ (0,-0.5) node[npn,anchor=C](Q4){$Q_{4}$}
(C) --++(-1,0) --++(0,-0.71) node[potentiometershape, rotate=-90,anchor=west,label=south west:$R_{V1}$, font=\large](P){}
(P.wiper) -| (Q4.B)
(P.east) --++(0,-0.71) --++ (1,0) coordinate (D)
(D) -| (Q4.E)
(Q5.E) to[R, l = $R_{13}$,*-*]++ (0,-2) coordinate (A)
to[C,l=$C_{5}$] ++ (2,0) to [R,l=$R_{L}$,*-*] ++(0,-2) node[vee](VEE){$-10\volt$}
(A) to[R,l=$R_{14}$,*-*] ++(0,-2) node[pnp,anchor=E](Q6){$Q_{6}$} ++(0,-2)
(Q6.B) --++(-1,0) coordinate (E)
to[R,l=$R_{12}$,*-*] ++(0,-2) coordinate (G)% node[vee](VEE){$-10\volt$}%Activar y desactivar para solo esta etapa
%
-| (Q6.C)
(D) -| (E)
%Fin de la etapa de potencia
%Inicio de la etapa de Incursora
(F) to[R,l=$R_{16}$,*-*]++ (0,-7.54) coordinate (F1) -| (G)
(F) to[C,l=$C_{4}$,*-*]++(-2,0) coordinate (F2) to[R,l=$R_{10}$,*-*] ++(0,-7.54) coordinate (F3) -| (F1)
(F) node[pnp,anchor=C](Q3){$Q_{3}$} ++(0,2)
(Q3.E) to[R,l=$R_{11}$,*-*] ++(0,2) coordinate (F4) -| (B1)
(Q3.E) --++(1,0) to[C,l_=$C_{6}$,*-*]++(0,2) -| (B1)
(Q3.B) -| (F2)
(Q3.B) ++ (-1.16,0) coordinate (G1) to[R,l=$R_{15}$,*-*]++(0,2.77) coordinate (F5) -| (F4)
(G1) to[C,l=$C_{2}$,*-*]++(-2,0) coordinate (G2)%Desactivar para unir con las demás etapas.
%(F3) ++(1,0) node[vee](VEE){$-10\volt$}%Activar y desactivar para solo esta etapa
%(F4) node[vcc](VCC){$+10\volt$}%Activar y desactivar para solo esta etapa
%Fin de la etapa de Incursora
%Inicio de la Etapa Diferencial
(G2) to[R,l=$R_{8}$,*-*]++(0,2.77) coordinate (H1) -| (F5)
(G2) --++(0,-0.9) coordinate (H2) to[R,l=$R_{9}$,-*] ++(0,-7.41) coordinate(H3) -| (F3)
(H2)--++(0,-0.6) coordinate (H4) --++(1,0) to[C,l=$C_{3}$] ++(0,-2) node[vee](VEE){$-10\volt$}
(H4)--++(-0.5,0) node[npn,anchor=B,xscale=-1, label=left:$Q_{2}$](Q2) {}
(Q2.E) --++ (0,-0.1) coordinate (I1) to[R,l=$R_{7}$] ++(0,-5.94) coordinate (H5) -| (H3)
(Q2.C) to[R,l=$R_{6}$] ++(0,3.5) coordinate (H6) -| (H1)
(I1) ++ (0,-1)to[R,l=$R_{5}$]++(-2,0) coordinate(I2) to[R,l=$R_4$] ++ (0,-4.94) coordinate (J1) -| (H5)
(I2) --++ (0,1.1) node[npn,anchor=E](Q1){$Q_{1}$}
(Q1.C) to[R,l=$R_{3}$] ++(0,3.5) coordinate(J2) -| (H6)
(Q1.B) to[C,l=$C_{1}$] ++(-2,0) to[short,label=$V_{in}$,-o] ++(-0.5,0)
(Q1.B) ++ (-0.5,0) to[R,l=$R_{2}$] ++(0,-6.81) -| (J1)
(Q1.B) ++ (-0.5,0) to[R,l=$R_{1}$] ++ (0,4.27) -| (J2)
%(J1) ++(1,0) node[vee](VEE){$-10\volt$}%Activar y desactivar para solo esta etapa
%(J2) ++(1,0) node[vcc](VCC){$+10\volt$}%Activar y desactivar para solo esta etapa
%Fin de la Etapa Diferencial
;\end{circuitikz}





