I don't have any idea how to reproduce this logic circuit (in picture at the end). I know I can use circuitikz package, but it's difficult to align correctly everything.
Is it possible to help me ?
Thanks a lot.
New :
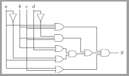
\begin{circuitikz}[label distance=2mm, scale=2]
\node (x3) at (0.5,0) {$a$};
\node (x2) at (1,0) {$b$};
\node (x1) at (1.5,0) {$c$};
\node (x0) at (2,0) {$d$};
\node[or gate US, draw, logic gate inputs=nnn] at ($(x0)+(1,-1)$) (Or1) {};
\node[not gate US, draw, logic gate inputs=n, scale=1.2] at ($(x0)+(1,-1.75)$) (Not1) {};
\node[or gate US, draw, logic gate inputs=nn] at ($(x0)+(1,-2.75)$) (Or2) {};
\node[and gate US, draw, logic gate inputs=nnn] at ($(x0)+(2,-2)$) (And1) {};
\node[not gate US, draw, logic gate inputs=n, scale=1.2] at ($(x0)+(1,-3.5)$) (Not2) {};
\node[or gate US, draw, logic gate inputs=nn] at ($(x0)+(2,-3.65)$) (Or3) {};
\node[or gate US, draw, logic gate inputs=nn] at ($(x0)+(1,-4.5)$) (Or4) {};
\node[and gate US, draw, logic gate inputs=nn] at ($(x0)+(3,-2.75)$) (And2) {};
\node[or gate US, draw, logic gate inputs=nn] at ($(x0)+(4,-2.7)$) (Or5) {};
\node[and gate US, draw, logic gate inputs=nnn] at ($(x0)+(5,-2.65)$) (And3) {};
\draw (x3) |- (Or1.input 1);
\draw (x2) |- (Or1.input 2);
\draw (x1) |- (Or1.input 3);
\draw (x0) |- (Not1.input);
\draw (Not1.output) |- (And1.input 1);
\draw (x2) |- (And1.input 2);
\draw (x1) |- (And1.input 3);
\draw (x2) |- (Or2.input 1);
\draw (x0) |- (Or2.input 2);
\draw (Or2.output) |- (And2.input 1);
\draw (x3) |- (Not2.input);
\draw (Not2.output) |- (Or3.input 1);
\draw (x3) |- (Or3.input 2);
\draw (And1.output) -| (Or5.input 1);
\draw (Or3.output) |- (And2.input 2);
\draw (x3) |- (Or4.input 1);
\draw (x1) |- (Or4.input 2);
\draw (And2.output) -| (Or5.input 2);
\draw (Or1.output) -| (And3.input 1);
\draw (Or5.output) -| (And3.input 2);
\draw (Or4.output) -| (And3.input 3);
\end{circuitikz}


