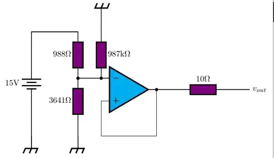
I went back to Latex a few days ago: my memories are a little rusty. For a simple circuit, I manage to find my bearings but I am stuck in a few more complex situations.
I try to reproduce this pattern

but I am stuck to place the various components connected to the V- terminal: I imagine that it is necessary to use the relative positions but I do not see how to code it.
Thanks for your help.


centeranchor, but you can change that using[anchor=-](for example). The anchors for each component are shown in the manual (page 97). – John Kormylo Dec 23 '20 at 16:57circuitikz. Once the node (in this case the op amp) is positioned and named, the various points have names like(opamp.-),(opamp.+)etc. Anyway, post what you have and we will try to help – Rmano Dec 23 '20 at 19:49\draw (0,0) node[en amp] (opamp){} (opamp.+) to[short, -*] ++(-0.5,0) node (RdCd2) {} to[C] ++(0,-2) node[ground](gnd){} ++(0,-1) (RdCd2) to [R, l=$R_d$] ++(-2,0) node (RdRd){} ;the node RdCd2 and the resistor Rd are not connected : where is the problem ? – Nicolas Dec 24 '20 at 16:47nodefor acoordinate--- anyway, please, next time edit your question with the code... see https://tex.stackexchange.com/a/113532/38080 (BTW, if you don't ping me with @Rmano I will not get notified...) – Rmano Dec 28 '20 at 14:57