I use circuitikz a lot for circuit diagrams and many of them involve some kind of a circuit element at the bottom which makes the diagram "asymmetric" or "not a perfect rectangle" (forgive me if there is some technical term that I am missing). From a post I had made previously, I learned about the \frame and \fbox commands which work well for rectangular pictures but not (in my opinion) for diagrans such as these:
Is there any way to address this without hardcoding values ?
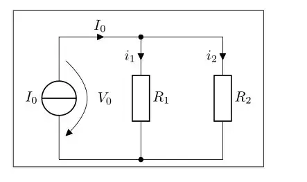
Code for the above:
\frame{
\begin{circuitikz}[european, voltage shift=0.5]
\draw (0,0) to [isource, l=$I_0$, v=$V_0$] (0,3)
to [short, -*, i=$I_0$] (2,3)
to [R=$R_1$, i>_=$i_1$] (2,0) -- (0,0);
\draw (2,3) -- (4,3)
to [R=$R_2$, i>_=$i_2$]
(4,0) to [short, -*] (2,0);
\end{circuitikz}
}
Edit I realize there is also a bit of asymmetry in the horizontal direction which I have not removed in the "what I want" figure but I would like for that to be fixed as well. Is this possible ?





fitnode. Create the node using as fit sources four nodes you think are symmetrical, then add aninner sep(orinner ysep/xsep). Look at the fit library in TikZ manual. – Rmano Mar 09 '21 at 21:52